Мы используем cookie для наилучшего представления нашего сайта. Подробнее об этом в Политике конфиденциальности.
Ок

Королев

Ваш город:
Королев (Московская область)?
Нет
Да
Каталог
Каталог Написать в WhatsApp
Мотоэкипировка

Корпус редуктора, карданный вал 2-Х ТАКТНОГО ПЛМ MERCURY 150 PRO XS L OPTIMAX Серийный номер от 1B690542 и выше

Корпус редуктора, карданный вал 2-Х ТАКТНОГО ПЛМ MERCURY 150 PRO XS L OPTIMAX Серийный номер от 1B690542 и выше в Королёве: актуальный каталог, цены, фото, описание. Купите корпус редуктора, карданный вал 2-х тактного плм mercury 150 pro xs l optimax серийный номер от 1b690542 и выше в кредит – оформите заявку онлайн за 1 минуту!

Оригинальные запчасти

Артикул НАИМЕНОВАНИЕ Кол-во деталей в узле Примечание Наличие Цена Аналоги Фото
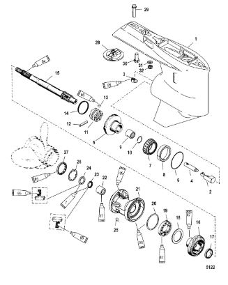
1 9148T84 Редуктор (GEAR HOUSING ASSEMBLY(4.75 Inch/120.65)

Под заказ

1

Под заказ

уточнить

Купить
2 9148T85 Редуктор в сборе (GEAR HSG-XL-BLK)

Под заказ

1

Под заказ

уточнить

Купить
3 9148T93 Корпус редуктора (GEAR HOUSING BLK )

Под заказ

1

Под заказ

уточнить

Купить
4 89594A1 Толкатель (Follower assembly)

Под заказ

1

Под заказ

уточнить

Купить
5 789562 SHIFT CAM

Под заказ

1

Под заказ

уточнить

Купить
6 828287 Тяга (Rod)

Под заказ

1

Под заказ

уточнить

Купить
7 803615T2 Шестерни (REPAIR KIT-GEARS)

Под заказ

1

Под заказ

уточнить

Купить
8 44491A1 Регулировочные кольца (shim set)

Под заказ

1

Под заказ

уточнить

Купить
9 30894A1 Роликовый подшипник (BEARING SET)

Под заказ

1

Под заказ

уточнить

Купить
10 30895T Подшипник (BEARING)

Под заказ

1

Под заказ

уточнить

Купить
11 856823 Кольцо (RING, Retaining)

Под заказ

1

Под заказ

уточнить

Купить
12 859340T Муфта (CLUTCH)

Под заказ

1

Под заказ

уточнить

Купить
13 8M0100263 PIN @3

Под заказ

1

Под заказ

уточнить

Купить
14 828356 Стопор (PIN, Detent)

Под заказ

1

Под заказ

уточнить

Купить
15 30893 Пружина (SPRING @2)

Под заказ

1

Под заказ

уточнить

Купить
16 94148 Гребной вал (PROPSHAFT)

Под заказ

1

Под заказ

уточнить

Купить
17 828175A1 Шестерня (GEAR ASSEMBLY, Reverse - 15/28)

Под заказ

1

Под заказ

уточнить

Купить
18 824108 Упорная шайба (SPACER)

Под заказ

1

Под заказ

уточнить

Купить
19 681001 Упорное кольцо (RING, Thrust)

Под заказ

1

Под заказ

уточнить

Купить
20 88957T Шариковый подшипник (BEARING-BALL)

Под заказ

1

Под заказ

уточнить

Купить
21 31534 Уплотнительное кольцо (O RING @4)

Под заказ

1

Под заказ

уточнить

Купить
22 43567T1 CARRIER ASSEMBLY, Bearing

Под заказ

1

Под заказ

уточнить

Купить
23 30956T Подшипник (BEARING)

Под заказ

1

Под заказ

уточнить

Купить
24 14077 Сальник (SEAL)

Под заказ

1

Под заказ

уточнить

Купить
25 76868 Сальник (SEAL @5 )

Под заказ

1

Под заказ

уточнить

Купить
26 30281 Шпонка металлическая (KEY @5)

Под заказ

1

Под заказ

уточнить

Купить
27 79447 Шайба (TAB WASHER, GEAR HOUSING COVER)

Под заказ

1

Под заказ

уточнить

Купить
28 8M2000347 Упорная гайка стакана (RETAINER, Bearing Carrier)

Под заказ

1

Под заказ

уточнить

Купить
29 76214Q5 Защитный анод (ANODE KIT @2)

Под заказ

1

Под заказ

уточнить

Купить
30 76214T5 ANODIC PLATE

Под заказ

1

Под заказ

уточнить

Купить
31 76214A6 Анод магниевый (ANODIC PLATE ASSEMBLY)

Под заказ

1

Под заказ

уточнить

Купить
32 806327 Болт (SCREW)

Под заказ

1

Под заказ

уточнить

Купить
33 65210 SCREW, GEAR HOUSING (1")

Под заказ

1

Под заказ

уточнить

Купить
34 45176 Шайба (WASHER, GEAR HOUSING STUDS)

Под заказ

2

Под заказ

уточнить

Купить
35 34933 Гайка

Под заказ

2

Под заказ

уточнить

Купить
36 89238A2 Комплект прокладок (SEAL KIT)

Под заказ

1

Под заказ

уточнить

Купить
37 803491T1 FOLLOWER ASSEMBLY, Clutch/Cam

Под заказ

1

Под заказ

уточнить

Купить
38 803033T1 Подшипники (BEARING AND SEAL KIT W/O FWD Bearing)

Под заказ

1

Под заказ

уточнить

Купить
39 8M0046714 Набор прокладок (GASKET SET)

Под заказ

1

Под заказ

уточнить

Купить

Нулевая цена не означает отсутствие товара. Оформите заказ, и менеджер сообщит вам цену и наличие товара, предварительно запросив их у поставщика

Главная Магазины
Корзина0
Профиль