Мы используем cookie для наилучшего представления нашего сайта. Подробнее об этом в Политике конфиденциальности.
Ок

Королев

Ваш город:
Королев (Московская область)?
Нет
Да
Каталог
Каталог Написать в WhatsApp
Мотоэкипировка

Опорные кронштейны капота 2-Х ТАКТНОГО ПЛМ MERCURY 50EO Серийный номер от 0B122930 до 0D000749

Опорные кронштейны капота 2-Х ТАКТНОГО ПЛМ MERCURY 50EO Серийный номер от 0B122930 до 0D000749 в Королёве: актуальный каталог, цены, фото, описание. Купите опорные кронштейны капота 2-х тактного плм mercury 50eo серийный номер от 0b122930 до 0d000749 в кредит – оформите заявку онлайн за 1 минуту!

Оригинальные запчасти

Артикул НАИМЕНОВАНИЕ Кол-во деталей в узле Примечание Наличие Цена Аналоги Фото
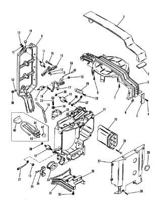
1 73641A1 BRACKET, TOP (MERCURY)

Под заказ

1

Под заказ

уточнить

Купить
2 73641A2 BRACKET, TOP (MARINER)

Под заказ

1

Под заказ

уточнить

Купить
3 62444 SEAL, RUBBER - TOP BRACKET/MOUNTING PLATE

Под заказ

1

Под заказ

уточнить

Купить
4 79652 CLIP, SUPPORT BRACKET

Под заказ

1

Под заказ

уточнить

Купить
5 48409 SCREW, TERMINAL BLOCK MARINER

Под заказ

2

Под заказ

уточнить

Купить
6 79490 SHIELD, FLYWHEEL

Под заказ

1

Под заказ

уточнить

Купить
7 37656 SCREW, SHIELD TO SUPPORT BRACKET (5/8")

Под заказ

1

Под заказ

уточнить

Купить
8 48408 Болт (SCREW @5)

Под заказ

3

Под заказ

уточнить

Купить
9 91891 WEAR PLATE, SOUND ATTENUATOR

Под заказ

2

Под заказ

уточнить

Купить
10 74510A2 BRACKET, COWL SUPPORT - REAR

Под заказ

1

Под заказ

уточнить

Купить
11 698761 SEAL, REAR BRACKET

Под заказ

2

Под заказ

уточнить

Купить
12 90435 MOUNT, RUBBER - FRONT SUPPORT

Под заказ

4

Под заказ

уточнить

Купить
13 69057 Шайба (WASHER)

Под заказ

3

Под заказ

уточнить

Купить
14 20184 Провод основной (центральный) CORSA 150000072

Под заказ

4

Под заказ

уточнить

4 110

Купить
15 269011 Амортизатор (BUMPER, Rubber)

Под заказ

3

Под заказ

уточнить

Купить
16 60116 BRACE, COWL SUPPORT BRACKET (TOP)

Под заказ

1

Под заказ

уточнить

Купить
17 87764 BRACKET, REAR - LOWER MOUNT

Под заказ

1

Под заказ

уточнить

Купить
18 76596 Болт (SCREW, SUPPORT BRACKET 1-1/4")

Под заказ

3

Под заказ

уточнить

Купить
19 71097 BRACKET, RUBBER MOUNT

Под заказ

1

Под заказ

уточнить

Купить
20 824941 Винт (SCREW)

Под заказ

1

Под заказ

уточнить

Купить
21 973482 SOUND ATTENUATOR

Под заказ

1

Под заказ

уточнить

Купить
22 88684 COVER, MANUAL CHOKE

Под заказ

1

Под заказ

уточнить

Купить
23 32293 SCREW, (.312-24 x 1.75), COVER TO TOP COVER

Под заказ

1

Под заказ

уточнить

Купить
24 814806 Шайба (WASHER)

Под заказ

1

Под заказ

уточнить

Купить
25 73986 AIR MANIFOLD

Под заказ

1

Под заказ

уточнить

Купить
26 69093 SCREW, AIR MANIFOLD

Под заказ

2

Под заказ

уточнить

Купить
27 14915T COVER, SOUND ATTENUATOR (FRONT)

Под заказ

1

Под заказ

уточнить

Купить
28 37655 SCREW

Под заказ

8

Под заказ

уточнить

Купить
29 73336 PLUG, FRONT COVER

Под заказ

2

Под заказ

уточнить

Купить
30 41128A1 PLATE ASSEMBLY

Под заказ

1

Под заказ

уточнить

Купить
31 20540 SCREW, TRANSFER PORT COVER (5/8")

Под заказ

2

Под заказ

уточнить

Купить
32 14169 GROMMET, ELECTRICAL CABLES

Под заказ

1

Под заказ

уточнить

Купить
33 14160 CAP, RETAINING

Под заказ

1

Под заказ

уточнить

Купить
34 14168 SCREW, (.250-20 x 1.00), CAP

Под заказ

2

Под заказ

уточнить

Купить
35 88238A3 GROUND STRAP ASSEMBLY

Под заказ

1

Под заказ

уточнить

Купить
36 65999A2 CABLE ASSEMBLY, (Black), UPPER MOUNT

Под заказ

2

Под заказ

уточнить

Купить
37 36069 NUT, TILT STOP LEVER SCREW

Под заказ

3

Под заказ

уточнить

Купить
38 19686 BRACKET

Под заказ

1

Под заказ

уточнить

Купить
39 19758A3 HARNESS ASSEMBLY

Под заказ

1

Под заказ

уточнить

Купить
40 18211 RELAY SWITCH

Под заказ

1

Под заказ

уточнить

Купить
41 20401 SCREW, (.190-24 x .38)

Под заказ

1

Под заказ

уточнить

Купить

Нулевая цена не означает отсутствие товара. Оформите заказ, и менеджер сообщит вам цену и наличие товара, предварительно запросив их у поставщика

Главная Магазины
Корзина0
Профиль