Мы используем cookie для наилучшего представления нашего сайта. Подробнее об этом в Политике конфиденциальности.
Ок

Королев

Ваш город:
Королев (Московская область)?
Нет
Да
Каталог
Каталог Написать в WhatsApp
Мотоэкипировка

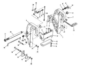
Зажимной кронштейн (ручной) (S/N: 0D1812000 и выше) 2-Х ТАКТНОГО ПЛМ MERCURY 50EO Серийный номер от 0D000750 до 0G290584

Зажимной кронштейн (ручной) (S/N: 0D1812000 и выше) 2-Х ТАКТНОГО ПЛМ MERCURY 50EO Серийный номер от 0D000750 до 0G290584 в Королёве: актуальный каталог, цены, фото, описание. Купите зажимной кронштейн (ручной) (s/n: 0d1812000 и выше) 2-х тактного плм mercury 50eo серийный номер от 0d000750 до 0g290584 в кредит – оформите заявку онлайн за 1 минуту!

Оригинальные запчасти

Артикул НАИМЕНОВАНИЕ Кол-во деталей в узле Примечание Наличие Цена Аналоги Фото
1 8M0084195 BRACKET-CLAMP-BLK

Под заказ

1

Под заказ

уточнить

Купить
2 822868A2 CLAMP BRACKET

Под заказ

1

Под заказ

уточнить

Купить
3 98727 GREASE FITTING, PORT TRANSOM BRACKET

Под заказ

1

Под заказ

уточнить

Купить
4 99604 GROOVE PIN

Под заказ

1

Под заказ

уточнить

Купить
5 822867F1 CLAMP BRACKET

Под заказ

1

Под заказ

уточнить

Купить
6 822867F2 CLAMP BRACKET

Под заказ

1

Под заказ

уточнить

Купить
7 893704T01 Упор двигателя (LEVER, Tilt Lock)

Под заказ

1

Под заказ

уточнить

Купить
8 19618A3 TILT LOCK LEVER

Под заказ

1

Под заказ

уточнить

Купить
9 99622 SPRING

Под заказ

1

Под заказ

уточнить

Купить
10 65830 BUSHING, TILT LEVER

Под заказ

1

Под заказ

уточнить

Купить
11 812708 SPRING

Под заказ

1

Под заказ

уточнить

Купить
12 812709 KNOB

Под заказ

1

Под заказ

уточнить

Купить
13 812709T6 KNOB

Под заказ

1

Под заказ

уточнить

Купить
14 99615 GROOVE PIN

Под заказ

1

Под заказ

уточнить

Купить
15 19619 Шайба (WASHER)

Под заказ

2

Под заказ

уточнить

Купить
16 18486F5 ANCHOR BRACKET

Под заказ

1

Под заказ

уточнить

Купить
17 18486F6 ANCHOR BRACKET

Под заказ

1

Под заказ

уточнить

Купить
18 818298Q1 Комплект анодов (ANODE KIT)

Под заказ

1

Под заказ

уточнить

Купить
19 4000330 Болт (SCREW @5)

Под заказ

2

Под заказ

уточнить

Купить
20 29245 Шайба (WASHER @10)

Под заказ

2

Под заказ

уточнить

Купить
21 4000354 Винт (SCREW, BEARING CARRIER)

Под заказ

5

Под заказ

уточнить

Купить
22 4000355 SCREW, TRIM TAB (35MM)

Под заказ

1

Под заказ

уточнить

Купить
23 401388 Гайка (NUT, M8)

Под заказ

2

Под заказ

уточнить

Купить
24 8M0026068 PIN ASY-TILT

Под заказ

1

Под заказ

уточнить

Купить
25 821461 Пружина (SPRING)

Под заказ

1

Под заказ

уточнить

Купить
26 8M0041938 Трубка штока рулевого троса (TILT TUBE)

Под заказ

1

Под заказ

уточнить

Купить
27 858869 Гайка (NUT, (.875-14))

Под заказ

2

Под заказ

уточнить

Купить
28 818883A1 Болт (SCREW ASSY-THUMB)

Под заказ

2

Под заказ

уточнить

Купить
29 818884 Шайба (WASHER)

Под заказ

2

Под заказ

уточнить

Купить
30 768042 Болт (SCREW)

Под заказ

2

Под заказ

уточнить

Купить
31 8M0084737 LINK

Под заказ

1

Под заказ

уточнить

Купить
32 19615A05 TILT LEVER ASSY

Под заказ

1

Под заказ

уточнить

Купить
33 812707 Втулка (BUSHING)

Под заказ

1

Под заказ

уточнить

Купить
34 8M0042643 Шайба (WASHER)

Под заказ

1

Под заказ

уточнить

Купить
35 99611 WAVE WASHER, TILT LEVER

Под заказ

1

Под заказ

уточнить

Купить
36 8M0007469 Крышка рукоятки стопора (KNOB-TILT)

Под заказ

1

Под заказ

уточнить

Купить
37 19611 SCREW

Под заказ

1

Под заказ

уточнить

Купить
38 812432F5 MOUNTING BRACKET

Под заказ

1

Под заказ

уточнить

Купить
39 812433F5 MOUNTING BRACKET

Под заказ

1

Под заказ

уточнить

Купить
40 8M0042641 Шайба (WASHER, (.390 x 1.00 x .06)

Под заказ

8

Под заказ

уточнить

Купить

Нулевая цена не означает отсутствие товара. Оформите заказ, и менеджер сообщит вам цену и наличие товара, предварительно запросив их у поставщика

Главная Магазины
Корзина0
Профиль