Мы используем cookie для наилучшего представления нашего сайта. Подробнее об этом в Политике конфиденциальности.
Ок

Королев

Ваш город:
Королев (Московская область)?
Нет
Да
Каталог
Каталог Написать в WhatsApp
Мотоэкипировка

Корпус редуктора (приводной вал)(50/55/60) (Часть 1) 2-Х ТАКТНОГО ПЛМ MERCURY 50EO Серийный номер от 0G290585 до 0G589999

Корпус редуктора (приводной вал)(50/55/60) (Часть 1) 2-Х ТАКТНОГО ПЛМ MERCURY 50EO Серийный номер от 0G290585 до 0G589999 в Королёве: актуальный каталог, цены, фото, описание. Купите корпус редуктора (приводной вал)(50/55/60) (часть 1) 2-х тактного плм mercury 50eo серийный номер от 0g290585 до 0g589999 в кредит – оформите заявку онлайн за 1 минуту!

Оригинальные запчасти

Артикул НАИМЕНОВАНИЕ Кол-во деталей в узле Примечание Наличие Цена Аналоги Фото
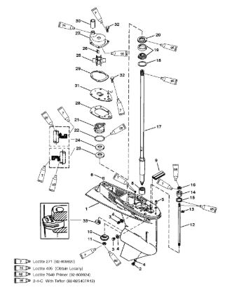
1 9760T23 Редуктор в сборе (GEAR HOUSING-SHOR)

Под заказ

1

Под заказ

уточнить

Купить
2 9760A24 GEAR HOUSING

Под заказ

1

Под заказ

уточнить

Купить
3 9760T27 ORD1671- 9760T25

Под заказ

1

Под заказ

уточнить

Купить
4 9760T25 Редуктор в сборе (GС COMP 60 2S LG)

Под заказ

1

Под заказ

уточнить

Купить
5 9760T26 ORD 1671-9760T25

Под заказ

1

Под заказ

уточнить

Купить
6 9760T28 GEAR HOUSING ASSEMBLY, Complete - 3.44 Inch/87.37 mm Torpedo Diameter

Под заказ

1

Под заказ

уточнить

Купить
7 9760T29 GEAR HOUSING-GR

Под заказ

1

Под заказ

уточнить

Купить
8 9760T42 Редуктор (GEAR HOUSING)

Под заказ

1

Под заказ

уточнить

Купить
9 9760T31 ORD 1671-9760T30

Под заказ

1

Под заказ

уточнить

Купить
10 9760T32 ORD1671- 9760T42

Под заказ

1

Под заказ

уточнить

Купить
11 8M0058389 Болт (SCREW KIT @2)

Под заказ

1

Под заказ

уточнить

Купить
12 79953Q04 Болт дренажный 0.375-16х0.25 (SCREW KIT @2)

Под заказ

2

Под заказ

уточнить

Купить
13 191833 Прокладка дренажного болта редуктора F80

Под заказ

3

Под заказ

уточнить

Купить
14 8M0084244 Штифт (PIN - DOWEL)

Под заказ

1

Под заказ

уточнить

Купить
15 43044 Штифт (PIN, Dowel - Without Hole (.375 x .625))

Под заказ

1

Под заказ

уточнить

Купить
16 56800 Заглушка (PIPE PLUG)

Под заказ

1

Под заказ

уточнить

Купить
17 812768 Подшипник (BEARING)

Под заказ

1

Под заказ

уточнить

Купить
18 818226A1 Пластина (PLATE KIT-FILLER)

Под заказ

1

Под заказ

уточнить

Купить
19 813694T Ведущая шестерня (GEAR-PINION)

Под заказ

1

Под заказ

уточнить

Купить
20 55910 Гайка (NUT @5)

Под заказ

1

Под заказ

уточнить

Купить
21 812732A1 Вал переключения передач (SHIFT SHAFT ASSEMBLY)

Под заказ

1

Под заказ

уточнить

Купить
22 815420 Тяга переключения передач (SHIFT SHAFT)

Под заказ

1

Под заказ

уточнить

Купить
23 29641 Шплинт (E RING @2)

Под заказ

1

Под заказ

уточнить

Купить
24 813696A2 Втулка (BUSHING)

Под заказ

1

Под заказ

уточнить

Купить
25 45258 Уплотнительное кольцо (O RING)

Под заказ

1

Под заказ

уточнить

Купить
26 8164641 Сальник (SEAL)

Под заказ

1

Под заказ

уточнить

Купить
27 815422 Приводной вал (DRIVESHAFT)

Под заказ

1

Под заказ

уточнить

Купить
28 812731 Вал приводной (DRIVESHAFT)

Под заказ

1

Под заказ

уточнить

Купить
29 815421 DRIVESHAFT

Под заказ

1

Под заказ

уточнить

Купить
30 812867A97 Набор прокладок (GASKET SET)

Под заказ

1

Под заказ

уточнить

Купить
31 814669A2 Набор сальников (SEAL KIT-G/H)

Под заказ

1

Под заказ

уточнить

Купить
32 812966A12 Ремнабор водяной помпы (REPAIR KIT, Water Pump)

Под заказ

1

Под заказ

уточнить

Купить

Нулевая цена не означает отсутствие товара. Оформите заказ, и менеджер сообщит вам цену и наличие товара, предварительно запросив их у поставщика

Главная Магазины
Корзина0
Профиль