Мы используем cookie для наилучшего представления нашего сайта. Подробнее об этом в Политике конфиденциальности.
Ок

Королев

Ваш город:
Королев (Московская область)?
Нет
Да
Каталог
Каталог Написать в WhatsApp
Мотоэкипировка

Карбюратор в сборе 2-Х ТАКТНОГО ПЛМ MERCURY 50EO Серийный номер от 6428681 до 0B122929

Карбюратор в сборе 2-Х ТАКТНОГО ПЛМ MERCURY 50EO Серийный номер от 6428681 до 0B122929 в Королёве: актуальный каталог, цены, фото, описание. Купите карбюратор в сборе 2-х тактного плм mercury 50eo серийный номер от 6428681 до 0b122929 в кредит – оформите заявку онлайн за 1 минуту!

Оригинальные запчасти

Артикул НАИМЕНОВАНИЕ Кол-во деталей в узле Примечание Наличие Цена Аналоги Фото
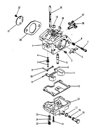
1 6071A53 CARBURETOR ASSEMBLY (TOP - 50) (WM-18)

Под заказ

2

Под заказ

уточнить

Купить
2 6071A39 CARBURETOR ASSEMBLY (60)

Под заказ

2

Под заказ

уточнить

Купить
3 6249 JET, ECONOMIZER (.096)

Под заказ

2

Под заказ

уточнить

Купить
4 192711 INLET NEEDLE AND SEAT

Под заказ

2

Под заказ

уточнить

Купить
5 52106A1 VENTURI

Под заказ

2

Под заказ

уточнить

Купить
6 19273 FLOAT

Под заказ

2

Под заказ

уточнить

Купить
7 9483 FUEL BOWL (50)

Под заказ

2

Под заказ

уточнить

Купить
8 7835 FUEL BOWL (60)

Под заказ

2

Под заказ

уточнить

Купить
9 6199 PLUG, MAIN JET

Под заказ

2

Под заказ

уточнить

Купить
10 7831 Жиклер (JET, MAIN (.058) (50))

Под заказ

2

Под заказ

уточнить

Купить
11 6207 Топливный жиклер (JET-.072)

Под заказ

2

Под заказ

уточнить

Купить
12 4807 THROTTLE SHAFT

Под заказ

2

Под заказ

уточнить

Купить
13 9484 THROTTLE VALVE (50)

Под заказ

2

Под заказ

уточнить

Купить
14 6203 Подшипник шариковый радиальный 6203 17х40х12мм

Под заказ

2

Под заказ

уточнить

Купить
15 6198 VALVE ASSEMBLY, ENRICHMENT

Под заказ

2

Под заказ

уточнить

Купить
16 733771 GASKET, CARBURETOR

Под заказ

2

Под заказ

уточнить

Купить
17 6200 GASKET KIT

Под заказ

2

Под заказ

уточнить

Купить
18 812953 REPAIR KIT - CARB

Под заказ

2

Под заказ

уточнить

Купить

Нулевая цена не означает отсутствие товара. Оформите заказ, и менеджер сообщит вам цену и наличие товара, предварительно запросив их у поставщика

Главная Магазины
Корзина0
Профиль