Мы используем cookie для наилучшего представления нашего сайта. Подробнее об этом в Политике конфиденциальности.
Ок

Королев

Ваш город:
Королев (Московская область)?
Нет
Да
Каталог
Каталог Написать в WhatsApp
Мотоэкипировка

Корпус коробки передач (карданный вал) - 1.641 передаточное отношение 2-Х ТАКТНОГО ПЛМ MERCURY 55 Серийный номер от 0G590000 до 0G760299

Корпус коробки передач (карданный вал) - 1.641 передаточное отношение 2-Х ТАКТНОГО ПЛМ MERCURY 55 Серийный номер от 0G590000 до 0G760299 в Королёве: актуальный каталог, цены, фото, описание. Купите корпус коробки передач (карданный вал) - 1.641 передаточное отношение 2-х тактного плм mercury 55 серийный номер от 0g590000 до 0g760299 в кредит – оформите заявку онлайн за 1 минуту!

Оригинальные запчасти

Артикул НАИМЕНОВАНИЕ Кол-во деталей в узле Примечание Наличие Цена Аналоги Фото
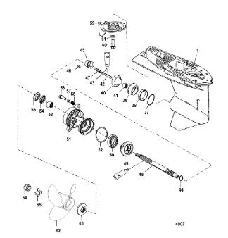
1 9760T23 Редуктор в сборе (GEAR HOUSING-SHOR)

Под заказ

1

Под заказ

уточнить

Купить
2 9760A24 GEAR HOUSING

Под заказ

1

Под заказ

уточнить

Купить
3 9760T25 Редуктор в сборе (GС COMP 60 2S LG)

Под заказ

1

Под заказ

уточнить

Купить
4 9760T26 ORD 1671-9760T25

Под заказ

1

Под заказ

уточнить

Купить
5 9760T28 GEAR HOUSING ASSEMBLY, Complete - 3.44 Inch/87.37 mm Torpedo Diameter

Под заказ

1

Под заказ

уточнить

Купить
6 9760T29 GEAR HOUSING-GR

Под заказ

1

Под заказ

уточнить

Купить
7 9760T42 Редуктор (GEAR HOUSING)

Под заказ

1

Под заказ

уточнить

Купить
8 9760T31 ORD 1671-9760T30

Под заказ

1

Под заказ

уточнить

Купить
9 8M0063263 Кольцо регулировочное (shim set)

Под заказ

0

Под заказ

уточнить

Купить
10 8M0103476 Подшипник (BEARING KIT)

Под заказ

1

Под заказ

уточнить

Купить
11 813693T1 Шестерня (GEAR ASSY-FORWARD)

Под заказ

1

Под заказ

уточнить

Купить
12 21739 Подшипник (BEARING)

Под заказ

1

Под заказ

уточнить

Купить
13 8129291 Копир (CAM-FOLLOWER)

Под заказ

1

Под заказ

уточнить

Купить
14 20843 Направляющий подпятник (SLIDE)

Под заказ

1

Под заказ

уточнить

Купить
15 38114 Пружина (SPRING)

Под заказ

1

Под заказ

уточнить

Купить
16 813697T Шестерня сцепления (CLUTCH)

Под заказ

1

Под заказ

уточнить

Купить
17 38113 *** Шпонка (PIN-CROSS@2)

Под заказ

1

Под заказ

уточнить

Купить
18 815418 Пружина (SPRING)

Под заказ

1

Под заказ

уточнить

Купить
19 14493 Гребной вал (PROPSHAFT)

Под заказ

1

Под заказ

уточнить

Купить
20 813695T Шестерня (GEAR-REVERSE)

Под заказ

1

Под заказ

уточнить

Купить
21 20839T Подшипник (BEARING-BALL)

Под заказ

1

Под заказ

уточнить

Купить
22 19291A3 Корпус несущего подшипника (carrier assy)

Под заказ

1

Под заказ

уточнить

Купить
23 815460 Резиновое кольцо (O RING)

Под заказ

1

Под заказ

уточнить

Купить
24 21700 Подшипник (BEARING)

Под заказ

1

Под заказ

уточнить

Купить
25 69188 Сальник (SEAL)

Под заказ

1

Под заказ

уточнить

Купить
26 69189 Сальник (SEAL)

Под заказ

1

Под заказ

уточнить

Купить
27 4000353 SCREW (M8 X 25 - CAP SCREW)

Под заказ

2

Под заказ

уточнить

Купить
28 85594030 Болт М8х30 (SCREW)

Под заказ

2

Под заказ

уточнить

Купить
29 8M0042642 WASHER @5

Под заказ

2

Под заказ

уточнить

Купить
30 855941 Шайба (WASHER)

Под заказ

2

Под заказ

уточнить

Купить
31 8227731 Вставка (INSERT)

Под заказ

2

Под заказ

уточнить

Купить
32 17264T2 Тример цинковый (trim tab)

Под заказ

1

Под заказ

уточнить

Купить
33 4000377 Болт (SCREW)

Под заказ

1

Под заказ

уточнить

Купить
34 856774 Шайба (WASHER)

Под заказ

1

Под заказ

уточнить

Купить
35 73345A1 Упорная шайба (THRUST WASHER)

Под заказ

1

Под заказ

уточнить

Купить
36 69578Q1 Крепление гребного винта (PROP NUT KIT@2)

Под заказ

1

Под заказ

уточнить

Купить
37 76281Q Шайба (TAB WASHER@2)

Под заказ

1

Под заказ

уточнить

Купить
38 812867A97 Набор прокладок (GASKET SET)

Под заказ

1

Под заказ

уточнить

Купить
39 814669A2 Набор сальников (SEAL KIT-G/H)

Под заказ

1

Под заказ

уточнить

Купить

Нулевая цена не означает отсутствие товара. Оформите заказ, и менеджер сообщит вам цену и наличие товара, предварительно запросив их у поставщика

Главная Магазины
Корзина0
Профиль