Мы используем cookie для наилучшего представления нашего сайта. Подробнее об этом в Политике конфиденциальности.
Ок

Королев

Ваш город:
Королев (Московская область)?
Нет
Да
Каталог
Каталог Написать в WhatsApp
Мотоэкипировка

Коленвал, поршни и шатуны 2-Х ТАКТНОГО ПЛМ MERCURY 60 Серийный номер от 9469200 до 9683054

Коленвал, поршни и шатуны 2-Х ТАКТНОГО ПЛМ MERCURY 60 Серийный номер от 9469200 до 9683054 в Королёве: актуальный каталог, цены, фото, описание. Купите коленвал, поршни и шатуны 2-х тактного плм mercury 60 серийный номер от 9469200 до 9683054 в кредит – оформите заявку онлайн за 1 минуту!

Оригинальные запчасти

Артикул НАИМЕНОВАНИЕ Кол-во деталей в узле Примечание Наличие Цена Аналоги Фото
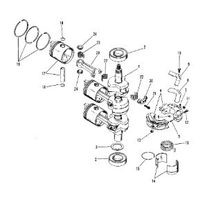
1 8839A2 CRANKSHAFT ASSEMBLY

Под заказ

1

Под заказ

уточнить

Купить
2 64424T BALL BEARING

Под заказ

2

Под заказ

уточнить

Купить
3 22369A1 SHIM, LOWER BEARING TO CRANKSHAFT

Под заказ

1

Под заказ

уточнить

Купить
4 7509A3 MAIN BEARING ASSEMBLY (VALVE TYPE)

Под заказ

2

Под заказ

уточнить

Купить
5 60282 DOWEL PIN, (STEPPED)

Под заказ

2

Под заказ

уточнить

Купить
6 65855 DOWEL PIN, REED LOCATING

Под заказ

16

Под заказ

уточнить

Купить
7 66051A1 REED SET, MATCHED - MAIN BEARING

Под заказ

2

Под заказ

уточнить

Купить
8 65946 REED STOP

Под заказ

8

Под заказ

уточнить

Купить
9 77280 SCREW, REED STOP (9/16")

Под заказ

8

Под заказ

уточнить

Купить
10 38055 SCREW, (.190-32 x .620), CABLE TO IGNITION PLATE

Под заказ

4

Под заказ

уточнить

Купить
11 20110 NUT, REED STOP SCREW

Под заказ

4

Под заказ

уточнить

Купить
12 26113T RACE-CENTER MAIN

Под заказ

2

Под заказ

уточнить

Купить
13 26933 SNAP RING, OUTER RACE

Под заказ

2

Под заказ

уточнить

Купить
14 714221 NEEDLE BEARING

Под заказ

112

Под заказ

уточнить

Купить
15 9137A9 PISTON ASSY-STD

Под заказ

3

Под заказ

уточнить

Купить
16 9095A1 ** PISTON ASSY-.015

Под заказ

1

Под заказ

уточнить

Купить
17 9137A11 PISTON ASSY-.030

Под заказ

1

Под заказ

уточнить

Купить
18 9137A12 Поршень стд. (PISTON ASSY-STD)

Под заказ

3

Под заказ

уточнить

Купить
19 9137A13 PISTON AND PISTON PIN ASSEMBLY (2 RING) (OVERSIZE)

Под заказ

1

Под заказ

уточнить

Купить
20 9137A14 Поршень ремонтный (PISTON ASSY-.030)

Под заказ

1

Под заказ

уточнить

Купить
21 857196 Стопорное кольцо (RING-LOCK @15)

Под заказ

6

Под заказ

уточнить

Купить
22 78816A12 Кольца поршневые комплект 12шт (RING SET-12 PCS)

Под заказ

1

Под заказ

уточнить

Купить
23 78811A12 RING, PISTON (.015 O.S.)

Под заказ

1

Под заказ

уточнить

Купить
24 88392A12 RING, PISTON (.030 O.S.)

Под заказ

1

Под заказ

уточнить

Купить
25 8101A3 CONNECTING ROD AND CAP ASSEMBLY

Под заказ

3

Под заказ

уточнить

Купить
26 91012 Болт шатуна (SCREW-SPEC @5)

Под заказ

6

Под заказ

уточнить

Купить
27 62596A1 BEARING ASSEMBLY

Под заказ

3

Под заказ

уточнить

Купить
28 47270 Иголка подшипника (BRG-NEEDLE @200)

Под заказ

87

Под заказ

уточнить

Купить
29 8M0032839 WASHER @5

Под заказ

6

Под заказ

уточнить

Купить

Нулевая цена не означает отсутствие товара. Оформите заказ, и менеджер сообщит вам цену и наличие товара, предварительно запросив их у поставщика

Главная Магазины
Корзина0
Профиль