Мы используем cookie для наилучшего представления нашего сайта. Подробнее об этом в Политике конфиденциальности.
Ок

Королев

Ваш город:
Королев (Московская область)?
Нет
Да
Каталог
Каталог Написать в WhatsApp
Мотоэкипировка

Ручки руля комплект (Часть 3) 2-Х ТАКТНОГО ПЛМ MERCURY 60 Серийный номер от 9885345 до 9973099

Ручки руля комплект (Часть 3) 2-Х ТАКТНОГО ПЛМ MERCURY 60 Серийный номер от 9885345 до 9973099 в Королёве: актуальный каталог, цены, фото, описание. Купите ручки руля комплект (часть 3) 2-х тактного плм mercury 60 серийный номер от 9885345 до 9973099 в кредит – оформите заявку онлайн за 1 минуту!

Оригинальные запчасти

Артикул НАИМЕНОВАНИЕ Кол-во деталей в узле Примечание Наличие Цена Аналоги Фото
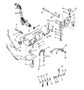
1 814803 Шайба (WASHER)

Под заказ

1

Под заказ

уточнить

Купить
2 495636 Тяга (ROD-SHIFT)

Под заказ

1

Под заказ

уточнить

Купить
3 48419T Наконечник (ROD END)

Под заказ

1

Под заказ

уточнить

Купить
4 26856 BUSHING, LINK ROD SWIVEL

Под заказ

1

Под заказ

уточнить

Купить
5 35950 Шайба (WASHER @2)

Под заказ

1

Под заказ

уточнить

Купить
6 25191 Шплинт (PIN-COTTER @2)

Под заказ

1

Под заказ

уточнить

Купить
7 12016A2 Пружина (DETENT/SPRING KIT)

Под заказ

1

Под заказ

уточнить

Купить
8 8M0034452 Шпилька (STUD)

Под заказ

1

Под заказ

уточнить

Купить
9 98530 Ручка (KNOB)

Под заказ

1

Под заказ

уточнить

Купить
10 816416A3 LEVER KIT

Под заказ

1

Под заказ

уточнить

Купить
11 816564 DRIVER

Под заказ

1

Под заказ

уточнить

Купить
12 816576 WASHER

Под заказ

1

Под заказ

уточнить

Купить
13 8165621 Шайба (DISC-BRAKE)

Под заказ

3

Под заказ

уточнить

Купить
14 816413 ARM (TOP)

Под заказ

1

Под заказ

уточнить

Купить
15 816414 ARM (BOTTOM)

Под заказ

1

Под заказ

уточнить

Купить
16 12649A4 HARNESS ASSEMBLY

Под заказ

1

Под заказ

уточнить

Купить
17 88107A5 Замок зажигания (SWITCH KIT)

Под заказ

1

Под заказ

уточнить

Купить
18 879755 Гайка (NUT, Special - Black Nylon)

Под заказ

1

Под заказ

уточнить

Купить
19 14645A4 TRIM SWITCH (POWER TRIM)

Под заказ

1

Под заказ

уточнить

Купить
20 49440 NUT (POWER TRIM)

Под заказ

2

Под заказ

уточнить

Купить
21 8M0052927 Кнопка (SWITCH ASSY)

Под заказ

1

Под заказ

уточнить

Купить
22 12110 SCREW-SWITCH

Под заказ

2

Под заказ

уточнить

Купить
23 648552 CLIP

Под заказ

1

Под заказ

уточнить

Купить
24 878608 SCREW, (#10-16 x .500)

Под заказ

1

Под заказ

уточнить

Купить
25 894912 Ключ замка зажигания (KEY 1B)

Под заказ

1

Под заказ

уточнить

Купить
26 894913 Ключ (KEY 1C)

Под заказ

1

Под заказ

уточнить

Купить
27 894914 KEY 1D

Под заказ

1

Под заказ

уточнить

Купить
28 894915 Ключ замка зажигания (KEY 1E@2)

Под заказ

1

Под заказ

уточнить

Купить
29 894916 Ключ для замка зажигания (KEY 1F @2)

Под заказ

1

Под заказ

уточнить

Купить
30 894917 Ключ для замка зажигания (KEY 2A @2)

Под заказ

1

Под заказ

уточнить

Купить
31 894918 Ключ замка зажигания (KEY 2B)

Под заказ

1

Под заказ

уточнить

Купить
32 894919 Ключ (KEY 2C)

Под заказ

1

Под заказ

уточнить

Купить
33 8949110 Ключ для замка зажигания (KEY 2D@2 )

Под заказ

1

Под заказ

уточнить

Купить
34 8949111 Ключ замка зажигания (KEY 2E)

Под заказ

1

Под заказ

уточнить

Купить
35 8949112 Ключ замка зажигания (KEY 2F)

Под заказ

1

Под заказ

уточнить

Купить

Нулевая цена не означает отсутствие товара. Оформите заказ, и менеджер сообщит вам цену и наличие товара, предварительно запросив их у поставщика

Главная Магазины
Корзина0
Профиль