Мы используем cookie для наилучшего представления нашего сайта. Подробнее об этом в Политике конфиденциальности.
Ок

Королев

Ваш город:
Королев (Московская область)?
Нет
Да
Каталог
Каталог Написать в WhatsApp
Мотоэкипировка

Насос регулировки мощности 2-Х ТАКТНОГО ПЛМ MERCURY 90 Серийный номер от 9506481 до 9589038

Насос регулировки мощности 2-Х ТАКТНОГО ПЛМ MERCURY 90 Серийный номер от 9506481 до 9589038 в Королёве: актуальный каталог, цены, фото, описание. Купите насос регулировки мощности 2-х тактного плм mercury 90 серийный номер от 9506481 до 9589038 в кредит – оформите заявку онлайн за 1 минуту!

Оригинальные запчасти

Артикул НАИМЕНОВАНИЕ Кол-во деталей в узле Примечание Наличие Цена Аналоги Фото
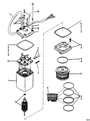
1 826729A10 POWER TRIM KIT

Под заказ

1

Под заказ

уточнить

Купить
2 12659 FRAME AND FIELD KIT

Под заказ

1

Под заказ

уточнить

Купить
3 12665 BRUSH SPRING KIT

Под заказ

1

Под заказ

уточнить

Купить
4 13506 BRUSH CARD KIT

Под заказ

1

Под заказ

уточнить

Купить
5 12662 PUMP AND END FRAME KIT

Под заказ

1

Под заказ

уточнить

Купить
6 126631 PUMP SEAL KIT

Под заказ

1

Под заказ

уточнить

Купить
7 12660 END FRAME KIT

Под заказ

1

Под заказ

уточнить

Купить
8 12661 ARMATURE KIT

Под заказ

1

Под заказ

уточнить

Купить
9 12664 THRU BOLT KIT

Под заказ

1

Под заказ

уточнить

Купить

Нулевая цена не означает отсутствие товара. Оформите заказ, и менеджер сообщит вам цену и наличие товара, предварительно запросив их у поставщика

Главная Магазины
Корзина0
Профиль