Мы используем cookie для наилучшего представления нашего сайта. Подробнее об этом в Политике конфиденциальности.
Ок

Королев

Ваш город:
Королев (Московская область)?
Нет
Да
Каталог
Каталог Написать в WhatsApp
Мотоэкипировка

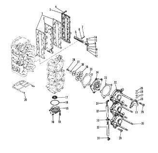
Впускной коллектор и резонатор 2-Х ТАКТНОГО ПЛМ MERCURY 90 Серийный номер от 9506481 до 9589038

Впускной коллектор и резонатор 2-Х ТАКТНОГО ПЛМ MERCURY 90 Серийный номер от 9506481 до 9589038 в Королёве: актуальный каталог, цены, фото, описание. Купите впускной коллектор и резонатор 2-х тактного плм mercury 90 серийный номер от 9506481 до 9589038 в кредит – оформите заявку онлайн за 1 минуту!

Оригинальные запчасти

Артикул НАИМЕНОВАНИЕ Кол-во деталей в узле Примечание Наличие Цена Аналоги Фото
1 43004009 Прокладка (GASKET)

Под заказ

2

Под заказ

уточнить

Купить
2 428791 PLATE CSTG

Под заказ

1

Под заказ

уточнить

Купить
3 42878A2 EXHAUST COVER/PLATE KIT

Под заказ

1

Под заказ

уточнить

Купить
4 42881A1 SHIFT RAIL

Под заказ

1

Под заказ

уточнить

Купить
5 42981 Шайба с ограничителем (TAB WASHER)

Под заказ

2

Под заказ

уточнить

Купить
6 40001134 Болт (SCREW)

Под заказ

2

Под заказ

уточнить

Купить
7 988851 Кронштейн (SLIDE)

Под заказ

1

Под заказ

уточнить

Купить
8 42994 BUSHING

Под заказ

1

Под заказ

уточнить

Купить
9 29720 WASHER, WAVE - SHIFT SHAFT TO LINK

Под заказ

1

Под заказ

уточнить

Купить
10 24664 WASHER

Под заказ

1

Под заказ

уточнить

Купить
11 35459 Шайба (WASHER)

Под заказ

1

Под заказ

уточнить

Купить
12 401386 Гайка (NUT-M6 HEX, NYL I)

Под заказ

1

Под заказ

уточнить

Купить
13 858552T2 LOWER END CAP ASSEMBLY

Под заказ

1

Под заказ

уточнить

Купить
14 426585 Перепускной клапан (VALVE-CHECK)

Под заказ

1

Под заказ

уточнить

Купить
15 41953 Сальник (seal)

Под заказ

1

Под заказ

уточнить

Купить
16 54029 Уплотнительное кольцо (O RING@5)

Под заказ

1

Под заказ

уточнить

Купить
17 4010825 Болт (SCREW M10 X 25)

Под заказ

3

Под заказ

уточнить

Купить
18 430075 Прокладка (GASKET)

Под заказ

1

Под заказ

уточнить

Купить
19 884296T Впускной коллектор (INDUCTION MANIFOL)

Под заказ

3

Под заказ

уточнить

Купить
20 42923 BRACKET, FLYWHEEL COVER

Под заказ

1

Под заказ

уточнить

Купить
21 81742740 SCREW (M8 X 40)

Под заказ

2

Под заказ

уточнить

Купить
22 8M0045410 STUD

Под заказ

3

Под заказ

уточнить

Купить
23 49221 Шайба

Под заказ

6

Под заказ

уточнить

Купить
24 22887 WASHER, ACTUATOR SCREW

Под заказ

3

Под заказ

уточнить

Купить
25 816874 Гайка (WING NUT, (#10-32))

Под заказ

3

Под заказ

уточнить

Купить
26 996642 Топливный фиттинг (ELBOW)

Под заказ

2

Под заказ

уточнить

Купить
27 8M0108349 Шланг (HOSE-70 INCH)

Под заказ

2

Под заказ

уточнить

Купить
28 432881 TEE FITTING

Под заказ

1

Под заказ

уточнить

Купить
29 42963A4 REED BLOCK ASSEMBLY (70)

Под заказ

3

Под заказ

уточнить

Купить
30 42963A11 Блок пластинчатых клапанов 75-125(REED BLOCK ASSY)

Под заказ

3

Под заказ

уточнить

Купить
31 139376 Прокладка (GASKET)

Под заказ

6

Под заказ

уточнить

Купить
32 43018A2 REED SET (70)

Под заказ

3

Под заказ

уточнить

Купить
33 43018A1 Лепестковые клапана (REED KIT)

Под заказ

3

Под заказ

уточнить

Купить
34 429821 Упорная шайба (TAB WASHER)

Под заказ

3

Под заказ

уточнить

Купить
35 42924 Упорная шайба лепестк клапана70-125(RETAINER REED)

Под заказ

3

Под заказ

уточнить

Купить
36 4000171 Болт (SCREW@3)

Под заказ

3

Под заказ

уточнить

Купить
37 43004A99 Набор прокладок 75/90 дв. блок (GASKET SET)

Под заказ

1

Под заказ

уточнить

Купить

Нулевая цена не означает отсутствие товара. Оформите заказ, и менеджер сообщит вам цену и наличие товара, предварительно запросив их у поставщика

Главная Магазины
Корзина0
Профиль