Мы используем cookie для наилучшего представления нашего сайта. Подробнее об этом в Политике конфиденциальности.
Ок

Королев

Ваш город:
Королев (Московская область)?
Нет
Да
Каталог
Каталог Написать в WhatsApp
Мотоэкипировка

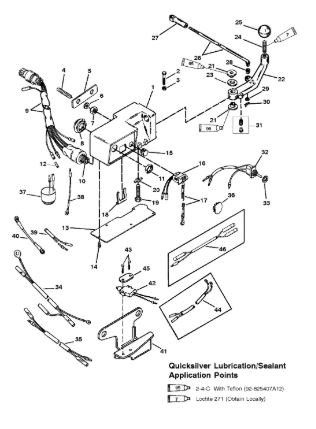
Компоненты ручного управления (Часть 2) 2-Х ТАКТНОГО ПЛМ MERCURY 90 Серийный номер от 9793577 до 0P016999

Компоненты ручного управления (Часть 2) 2-Х ТАКТНОГО ПЛМ MERCURY 90 Серийный номер от 9793577 до 0P016999 в Королёве: актуальный каталог, цены, фото, описание. Купите компоненты ручного управления (часть 2) 2-х тактного плм mercury 90 серийный номер от 9793577 до 0p016999 в кредит – оформите заявку онлайн за 1 минуту!

Оригинальные запчасти

Артикул НАИМЕНОВАНИЕ Кол-во деталей в узле Примечание Наличие Цена Аналоги Фото
1 12022A22 BRACKET ASSEMBLY

Под заказ

1

Под заказ

уточнить

Купить
2 12022A23 BRACKET ASSEMBLY

Под заказ

1

Под заказ

уточнить

Купить
3 14000 SCREW, LINK ROD

Под заказ

1

Под заказ

уточнить

Купить
4 826709113 Гайка (NUT-.375-24 NYL I)

Под заказ

1

Под заказ

уточнить

Купить
5 8M0034421 STUD

Под заказ

2

Под заказ

уточнить

Купить
6 822263 SPACER

Под заказ

1

Под заказ

уточнить

Купить
7 814806 Шайба (WASHER)

Под заказ

2

Под заказ

уточнить

Купить
8 82670911 NUT, (.312-24)

Под заказ

2

Под заказ

уточнить

Купить
9 121051 GROMMET

Под заказ

1

Под заказ

уточнить

Купить
10 12649A4 HARNESS ASSEMBLY

Под заказ

1

Под заказ

уточнить

Купить
11 12649A5 HARNESS ASSEMBLY

Под заказ

1

Под заказ

уточнить

Купить
12 88107A5 Замок зажигания (SWITCH KIT)

Под заказ

1

Под заказ

уточнить

Купить
13 879755 Гайка (NUT, Special - Black Nylon)

Под заказ

1

Под заказ

уточнить

Купить
14 13541 Заглушка (PLUG, Male)

Под заказ

1

Под заказ

уточнить

Купить
15 12015A1 COVER

Под заказ

1

Под заказ

уточнить

Купить
16 878608 SCREW, (#10-16 x .500)

Под заказ

6

Под заказ

уточнить

Купить
17 11083A4 STOP SWITCH ASSEMBLY

Под заказ

1

Под заказ

уточнить

Купить
18 8M0092849 Стропка (LANYARD ASY @2)

Под заказ

1

Под заказ

уточнить

Купить
19 8M0032846 Держатель латунный (RETAINER)

Под заказ

1

Под заказ

уточнить

Купить
20 4000358 SCREW, SHIFT LEVER

Под заказ

1

Под заказ

уточнить

Купить
21 42981 Шайба с ограничителем (TAB WASHER)

Под заказ

1

Под заказ

уточнить

Купить
22 889732 Втулка (BUSHING)

Под заказ

2

Под заказ

уточнить

Купить
23 12021A1 Рычаг (LEVER-SHIFT-BLACK)

Под заказ

1

Под заказ

уточнить

Купить
24 12021A2 SHIFT LEVER

Под заказ

1

Под заказ

уточнить

Купить
25 815351 WASHER

Под заказ

1

Под заказ

уточнить

Купить
26 8M0034452 Шпилька (STUD)

Под заказ

1

Под заказ

уточнить

Купить
27 98530 Ручка (KNOB)

Под заказ

1

Под заказ

уточнить

Купить
28 495636 Тяга (ROD-SHIFT)

Под заказ

1

Под заказ

уточнить

Купить
29 48419T Наконечник (ROD END)

Под заказ

1

Под заказ

уточнить

Купить
30 26856 BUSHING, LINK ROD SWIVEL

Под заказ

1

Под заказ

уточнить

Купить
31 29245 Шайба (WASHER @10)

Под заказ

1

Под заказ

уточнить

Купить
32 25191 Шплинт (PIN-COTTER @2)

Под заказ

1

Под заказ

уточнить

Купить
33 12016A2 Пружина (DETENT/SPRING KIT)

Под заказ

1

Под заказ

уточнить

Купить
34 14645A4 TRIM SWITCH (POWER TRIM)

Под заказ

1

Под заказ

уточнить

Купить
35 49440 NUT (POWER TRIM)

Под заказ

1

Под заказ

уточнить

Купить
36 815851A2 STOP HARNESS

Под заказ

1

Под заказ

уточнить

Купить
37 821028A2 CABLE

Под заказ

1

Под заказ

уточнить

Купить
38 11149A3 CABLE

Под заказ

1

Под заказ

уточнить

Купить
39 11149A10 ADAPTOR HARNESS

Под заказ

1

Под заказ

уточнить

Купить
40 86324A2 CABLE

Под заказ

1

Под заказ

уточнить

Купить
41 824930T2 BRACKET

Под заказ

1

Под заказ

уточнить

Купить
42 8M0052927 Кнопка (SWITCH ASSY)

Под заказ

1

Под заказ

уточнить

Купить
43 88075020 Болт (SCREW)

Под заказ

2

Под заказ

уточнить

Купить
44 824934A1 CABLE

Под заказ

1

Под заказ

уточнить

Купить
45 824923 Шайба (PLATE)

Под заказ

1

Под заказ

уточнить

Купить
46 824934A2 HARNESS

Под заказ

1

Под заказ

уточнить

Купить
47 824934A3 HARNESS

Под заказ

1

Под заказ

уточнить

Купить

Нулевая цена не означает отсутствие товара. Оформите заказ, и менеджер сообщит вам цену и наличие товара, предварительно запросив их у поставщика

Главная Магазины
Корзина0
Профиль