Мы используем cookie для наилучшего представления нашего сайта. Подробнее об этом в Политике конфиденциальности.
Ок

Королев

Ваш город:
Королев (Московская область)?
Нет
Да
Каталог
Каталог Написать в WhatsApp
Мотоэкипировка

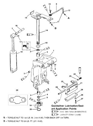
Поворотный кронштейн и рулевой рычаг 2-Х ТАКТНОГО ПЛМ MERCURY 90 Серийный номер от 9793577 до 0P016999

Поворотный кронштейн и рулевой рычаг 2-Х ТАКТНОГО ПЛМ MERCURY 90 Серийный номер от 9793577 до 0P016999 в Королёве: актуальный каталог, цены, фото, описание. Купите поворотный кронштейн и рулевой рычаг 2-х тактного плм mercury 90 серийный номер от 9793577 до 0p016999 в кредит – оформите заявку онлайн за 1 минуту!

Оригинальные запчасти

Артикул НАИМЕНОВАНИЕ Кол-во деталей в узле Примечание Наличие Цена Аналоги Фото
1 8M0102865 BRACKET-SWIVEL-BL

Под заказ

1

Под заказ

уточнить

Купить
2 8710T21 SWIVEL BRACKET

Под заказ

1

Под заказ

уточнить

Купить
3 8M0107419 SWIVEL BRACKET

Под заказ

1

Под заказ

уточнить

Купить
4 818904T2 BRACKET ASY-GRAY

Под заказ

1

Под заказ

уточнить

Купить
5 818904T4 BRKT ASY-STEEL/GR

Под заказ

1

Под заказ

уточнить

Купить
6 87735 Сальник (OIL SEAL, SWIVEL BRACKET LOWER)

Под заказ

1

Под заказ

уточнить

Купить
7 818764 Втулка (BUSHING)

Под заказ

2

Под заказ

уточнить

Купить
8 33504 Кольцо (O RING @10)

Под заказ

1

Под заказ

уточнить

Купить
9 816039 Проставка (SPACER)

Под заказ

1

Под заказ

уточнить

Купить
10 74036 Смазочный фиттинг (GREASE FITTING - EARLY STYLE)

Под заказ

2

Под заказ

уточнить

Купить
11 821207 BUSHING

Под заказ

2

Под заказ

уточнить

Купить
12 64014 SCREW, SWIVEL BRACKET

Под заказ

2

Под заказ

уточнить

Купить
13 92876A12 Тяга (LINK ROD KIT)

Под заказ

1

Под заказ

уточнить

Купить
14 14000 SCREW, LINK ROD

Под заказ

1

Под заказ

уточнить

Купить
15 826709113 Гайка (NUT-.375-24 NYL I)

Под заказ

2

Под заказ

уточнить

Купить
16 34931 Штанга с креплением (WASHER, SCREW AND LINK ROD)

Под заказ

2

Под заказ

уточнить

Купить
17 8M0000516 BUMPER, Top Yoke

Под заказ

1

Под заказ

уточнить

Купить
18 99661A36 NLA ORD 99661A35

Под заказ

1

Под заказ

уточнить

Купить
19 99661A35 Шпонка (SWIVEL PIN/STEERING ARM)

Под заказ

1

Под заказ

уточнить

Купить
20 816432 Упорная шайба (THRUST WASHER)

Под заказ

1

Под заказ

уточнить

Купить
21 99724T15 SHOCK ABSORBER-BL

Под заказ

1

Под заказ

уточнить

Купить
22 821539 Шпонка (PIN-TRILOBE)

Под заказ

1

Под заказ

уточнить

Купить
23 99625002 Штифт (SHAFT-UPPER TILT)

Под заказ

1

Под заказ

уточнить

Купить
24 42961A06 Коромысло (BOTTOM YOKE)

Под заказ

1

Под заказ

уточнить

Купить
25 42961T2 ORD 42961A06

Под заказ

1

Под заказ

уточнить

Купить
26 42961A5 YOKE ASSEMBLY-Bottom (Painted)

Под заказ

1

Под заказ

уточнить

Купить
27 67684 Упорное кольцо (RETAINING RING, BOTTOM YOKE)

Под заказ

1

Под заказ

уточнить

Купить
28 99653 BRACKET, SHOCK ABSORBER

Под заказ

1

Под заказ

уточнить

Купить
29 99619 SHAFT, SHOCK ABSORBER (LOWER)

Под заказ

1

Под заказ

уточнить

Купить
30 4000377 Болт (SCREW)

Под заказ

6

Под заказ

уточнить

Купить
31 4002319 Шайба (WASHER@3)

Под заказ

6

Под заказ

уточнить

Купить
32 818298Q1 Комплект анодов (ANODE KIT)

Под заказ

1

Под заказ

уточнить

Купить
33 4000330 Болт (SCREW @5)

Под заказ

2

Под заказ

уточнить

Купить
34 29245 Шайба (WASHER @10)

Под заказ

2

Под заказ

уточнить

Купить
35 11288001 BUMPER, Bottom Yoke

Под заказ

1

Под заказ

уточнить

Купить

Нулевая цена не означает отсутствие товара. Оформите заказ, и менеджер сообщит вам цену и наличие товара, предварительно запросив их у поставщика

Главная Магазины
Корзина0
Профиль