Мы используем cookie для наилучшего представления нашего сайта. Подробнее об этом в Политике конфиденциальности.
Ок

Королев

Ваш город:
Королев (Московская область)?
Нет
Да
Каталог
Каталог Написать в WhatsApp
Мотоэкипировка

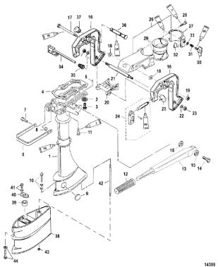
Корпус карданного вала и зажимные скобы 2-Х ТАКТНОГО ПЛМ MERCURY ME 2,5M Серийный номер от 0T894577 и выше

Корпус карданного вала и зажимные скобы 2-Х ТАКТНОГО ПЛМ MERCURY ME 2,5M Серийный номер от 0T894577 и выше в Королёве: актуальный каталог, цены, фото, описание. Купите корпус карданного вала и зажимные скобы 2-х тактного плм mercury me 2,5m серийный номер от 0t894577 и выше в кредит – оформите заявку онлайн за 1 минуту!

Оригинальные запчасти

Артикул НАИМЕНОВАНИЕ Кол-во деталей в узле Примечание Наличие Цена Аналоги Фото
1 815076A04 GASKET SET-P/H

Под заказ

N/A

Под заказ

уточнить

Купить
2 898101928 GASKET SET-PH

Под заказ

N/A

Под заказ

уточнить

Купить
3 8251301 DRIVE SHAFT HSG.

Под заказ

N/A

Под заказ

уточнить

Купить
4 825128A1 DRIVESHAFT HOUSING

Под заказ

N/A

Под заказ

уточнить

Купить
5 825130T DRIVESHAFT HOUSING

Под заказ

N/A

Под заказ

уточнить

Купить
6 8M0082880 Прокладка (GASKET @3)

Под заказ

N/A

Под заказ

уточнить

Купить
7 879194296 Заглушка (PLUG-WATER)

Под заказ

N/A

Под заказ

уточнить

Купить
8 815076002 Прокладка (GASKET)

Под заказ

N/A

Под заказ

уточнить

Купить
9 823164 CARRYING HANDLE

Под заказ

N/A

Под заказ

уточнить

Купить
10 95276 CARRYINGT HANDLE

Под заказ

N/A

Под заказ

уточнить

Купить
11 4000330 Болт (SCREW @5)

Под заказ

N/A

Под заказ

уточнить

Купить
12 16117 Заглушка (GROMMET)

Под заказ

N/A

Под заказ

уточнить

Купить
13 82304227 BOLT

Под заказ

N/A

Под заказ

уточнить

Купить
14 823042 Болт (BOLT)

Под заказ

N/A

Под заказ

уточнить

Купить
15 95274 Рукоятка румпеля (GRIP-TH)

Под заказ

N/A

Под заказ

уточнить

Купить
16 823162A3 Основание рукоятки румпеля (THROTTLE HANDLE)

Под заказ

N/A

Под заказ

уточнить

Купить
17 40011151 Болт (SCREW, M8 x 35)

Под заказ

N/A

Под заказ

уточнить

Купить
18 95364 Дампферная проставка румпеля (DAMPER, RUBBER)

Под заказ

N/A

Под заказ

уточнить

Купить
19 8150852 CLAMP BRACKET

Под заказ

N/A

Под заказ

уточнить

Купить
20 898101337 Болт (SCREW)

Под заказ

N/A

Под заказ

уточнить

Купить
21 815088 NUT (M8)

Под заказ

N/A

Под заказ

уточнить

Купить
22 95278 Кронштейн

Под заказ

N/A

Под заказ

уточнить

Купить
23 8M0055576 DISTANCE ROD

Под заказ

N/A

Под заказ

уточнить

Купить
24 9160T1 Кронштейн 3,3 (SWIVEL BRKT-BLACK)

Под заказ

N/A

Под заказ

уточнить

Купить
25 8112041 Поворотный кронштейн (SWIVEL BRACKET)

Под заказ

N/A

Под заказ

уточнить

Купить
26 16830 Болт (BOLT, DRIVESHAFT HOUSING)

Под заказ

N/A

Под заказ

уточнить

Купить
27 95381 Втулка (BUSHING)

Под заказ

N/A

Под заказ

уточнить

Купить
28 162061 Болт (SCREW)

Под заказ

N/A

Под заказ

уточнить

Купить
29 953838 Пружина (SPRING)

Под заказ

N/A

Под заказ

уточнить

Купить
30 952791 Накладка (FRICTION PAD)

Под заказ

N/A

Под заказ

уточнить

Купить
31 16826 Шайба (WASHER@10)

Под заказ

N/A

Под заказ

уточнить

Купить
32 8150921 Упор (THRUST ROD)

Под заказ

N/A

Под заказ

уточнить

Купить
33 8150931 SPRING

Под заказ

N/A

Под заказ

уточнить

Купить
34 8M0058619 TILT STOPPER

Под заказ

N/A

Под заказ

уточнить

Купить
35 815096 Заглушка (KNOB)

Под заказ

N/A

Под заказ

уточнить

Купить
36 823826T03 HOUSING KIT, Extension (3.3 HP)

Под заказ

N/A

Под заказ

уточнить

Купить
37 811214 BUSHING

Под заказ

N/A

Под заказ

уточнить

Купить
38 16121001 STOPPER (X-Long)

Под заказ

N/A

Под заказ

уточнить

Купить
39 8230427 BOLT, (M6 x 12)

Под заказ

N/A

Под заказ

уточнить

Купить
40 8230441 STUD

Под заказ

N/A

Под заказ

уточнить

Купить
41 400212 Гайка (NUT)

Под заказ

N/A

Под заказ

уточнить

Купить
42 82304232 BOLT (3.3 HP)

Под заказ

N/A

Под заказ

уточнить

Купить

Нулевая цена не означает отсутствие товара. Оформите заказ, и менеджер сообщит вам цену и наличие товара, предварительно запросив их у поставщика

Главная Магазины
Корзина0
Профиль