Мы используем cookie для наилучшего представления нашего сайта. Подробнее об этом в Политике конфиденциальности.
Ок

Королев

Ваш город:
Королев (Московская область)?
Нет
Да
Каталог
Каталог Написать в WhatsApp
Мотоэкипировка

Форсунка для впрыска топлива 4-Х ТАКТНОГО ПЛМ MERCURY 115 Серийный номер от 10T801000 до 1B226999

Форсунка для впрыска топлива 4-Х ТАКТНОГО ПЛМ MERCURY 115 Серийный номер от 10T801000 до 1B226999 в Королёве: актуальный каталог, цены, фото, описание. Купите форсунка для впрыска топлива 4-х тактного плм mercury 115 серийный номер от 10t801000 до 1b226999 в кредит – оформите заявку онлайн за 1 минуту!

Оригинальные запчасти

Артикул НАИМЕНОВАНИЕ Кол-во деталей в узле Примечание Наличие Цена Аналоги Фото
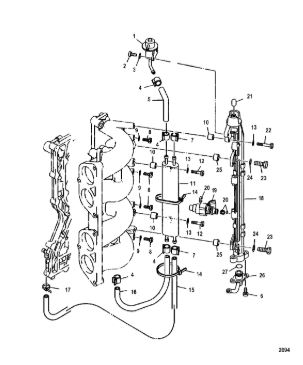
1 880888T02 Регулятор давления (REGULATOR, Pressure)

Под заказ

1

Под заказ

уточнить

Купить
2 881524 SCREW, (M6 x 12)

Под заказ

2

Под заказ

уточнить

Купить
3 881525 LOCKWASHER

Под заказ

2

Под заказ

уточнить

Купить
4 881531 CLIP

Под заказ

4

Под заказ

уточнить

Купить
5 881528 HOSE

Под заказ

1

Под заказ

уточнить

Купить
6 881509 SCREW, (M5 x 15)

Под заказ

2

Под заказ

уточнить

Купить
7 881530 CLIP

Под заказ

2

Под заказ

уточнить

Купить
8 84088M BOLT

Под заказ

4

Под заказ

уточнить

Купить
9 827610 GASKET

Под заказ

4

Под заказ

уточнить

Купить
10 888260 COLLAR

Под заказ

3

Под заказ

уточнить

Купить
11 881527T01 COOLER

Под заказ

1

Под заказ

уточнить

Купить
12 881507 BOLT, (M6 x 25)

Под заказ

2

Под заказ

уточнить

Купить
13 881533 WASHER

Под заказ

3

Под заказ

уточнить

Купить
14 69355 Хомут (STA STRAP, (5.50 Inch))

Под заказ

2

Под заказ

уточнить

Купить
15 881536 HOSE

Под заказ

1

Под заказ

уточнить

Купить
16 881529 HOSE

Под заказ

1

Под заказ

уточнить

Купить
17 56762 STA-STRAP, WIRES

Под заказ

1

Под заказ

уточнить

Купить
18 881518T DELIVERY PIPE

Под заказ

1

Под заказ

уточнить

Купить
19 880887T1 Инжектор (INJECTOR UNIT)

Под заказ

4

Под заказ

уточнить

Купить
20 885183A1 Набор прокладок форсунки (O RING KIT)

Под заказ

1

Под заказ

уточнить

Купить
21 881534 BOLT, (M6 x 10)

Под заказ

1

Под заказ

уточнить

Купить
22 881532 BOLT, (M8 x 45)

Под заказ

2

Под заказ

уточнить

Купить
23 881508 WASHER

Под заказ

2

Под заказ

уточнить

Купить
24 881526 Втулка (COLLAR)

Под заказ

2

Под заказ

уточнить

Купить
25 881521T NIPPLE

Под заказ

1

Под заказ

уточнить

Купить
26 881522 O-RING

Под заказ

1

Под заказ

уточнить

Купить
27 858732T02 GASKET SET, Powerhead

Под заказ

1

Под заказ

уточнить

Купить
28 881440T04 INTAKE ASSEMBLY

Под заказ

1

Под заказ

уточнить

Купить

Нулевая цена не означает отсутствие товара. Оформите заказ, и менеджер сообщит вам цену и наличие товара, предварительно запросив их у поставщика

Главная Магазины
Корзина0
Профиль