Мы используем cookie для наилучшего представления нашего сайта. Подробнее об этом в Политике конфиденциальности.
Ок

Королев

Ваш город:
Королев (Московская область)?
Нет
Да
Каталог
Каталог Написать в WhatsApp
Мотоэкипировка

Нагнетатель 4-Х ТАКТНОГО ПЛМ MERCURY 135 Серийный номер от 1B2270001 до 1B381711

Нагнетатель 4-Х ТАКТНОГО ПЛМ MERCURY 135 Серийный номер от 1B2270001 до 1B381711 в Королёве: актуальный каталог, цены, фото, описание. Купите нагнетатель 4-х тактного плм mercury 135 серийный номер от 1b2270001 до 1b381711 в кредит – оформите заявку онлайн за 1 минуту!

Оригинальные запчасти

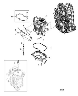
Артикул НАИМЕНОВАНИЕ Кол-во деталей в узле Примечание Наличие Цена Аналоги Фото
1 8M0104460 Нагнетатель (SUPERCHARGER L4SC)

Под заказ

1

Под заказ

уточнить

Купить
2 8M6000634 Датчик давления масла (SENSOR)

Под заказ

1

Под заказ

уточнить

Купить
3 888947A04 OUTLET DUCT KIT

Под заказ

1

Под заказ

уточнить

Купить
4 888947504 Прокладка (GASKET)

Под заказ

1

Под заказ

уточнить

Купить
5 888947502 BOLT

Под заказ

9

Под заказ

уточнить

Купить
6 8M0148668 SENSOR-TEMP

Под заказ

1

Под заказ

уточнить

Купить
7 896699 Уплотнительное кольцо (O-RING, (1.78 mm x .08 mm))

Под заказ

1

Под заказ

уточнить

Купить
8 888947A05 INLET DUCT KIT

Под заказ

1

Под заказ

уточнить

Купить
9 888947501 Уплотнитель (GASKET)

Под заказ

1

Под заказ

уточнить

Купить
10 847803A02 Втулка (BUSHING KIT)

Под заказ

1

Под заказ

уточнить

Купить
11 8M0045222 END CAP KIT

Под заказ

1

Под заказ

уточнить

Купить
12 8M0103820 SCREW @2

Под заказ

4

Под заказ

уточнить

Купить

Нулевая цена не означает отсутствие товара. Оформите заказ, и менеджер сообщит вам цену и наличие товара, предварительно запросив их у поставщика

Главная Магазины
Корзина0
Профиль