Мы используем cookie для наилучшего представления нашего сайта. Подробнее об этом в Политике конфиденциальности.
Ок

Королев

Ваш город:
Королев (Московская область)?
Нет
Да
Каталог
Каталог Написать в WhatsApp
Мотоэкипировка

Распредвал и масляный насос 4-Х ТАКТНОГО ПЛМ MERCURY 25 Серийный номер от 0R106999 и выше

Распредвал и масляный насос 4-Х ТАКТНОГО ПЛМ MERCURY 25 Серийный номер от 0R106999 и выше в Королёве: актуальный каталог, цены, фото, описание. Купите распредвал и масляный насос 4-х тактного плм mercury 25 серийный номер от 0r106999 и выше в кредит – оформите заявку онлайн за 1 минуту!

Оригинальные запчасти

Артикул НАИМЕНОВАНИЕ Кол-во деталей в узле Примечание Наличие Цена Аналоги Фото
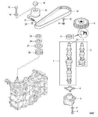
1 898103A83 Распредвал (CAMSHAFT)

Под заказ

1

Под заказ

уточнить

Купить
2 898103A85 Распредвал (CAMSHAFT ASSY)

Под заказ

2

Под заказ

уточнить

Купить
3 834967T04 PUMP ASSEMBLY, Oil

Под заказ

1

Под заказ

уточнить

Купить
4 853523002 Прокладка (GASKET )

Под заказ

1

Под заказ

уточнить

Купить
5 168308 BOLT

Под заказ

3

Под заказ

уточнить

Купить
6 895106 *** Шайба (WASHER @2)

Под заказ

3

Под заказ

уточнить

Купить
7 95229 Шпонка (KEY)

В наличии

1

В наличии

450

920

Купить
8 825455001 Сальник (SEAL, Oil)

Под заказ

1

Под заказ

уточнить

Купить
9 834973001 Шестерня (DRIVEN GEAR)

Под заказ

1

Под заказ

уточнить

Купить
10 803858001 BOLT

Под заказ

1

Под заказ

уточнить

Купить
11 895118 WASHER

Под заказ

1

Под заказ

уточнить

Купить
12 895120001 Ремень ГРМ (BELT-TIMING )

Под заказ

1

Под заказ

уточнить

Купить
13 895265 TENSIONER, Belt

Под заказ

1

Под заказ

уточнить

Купить
14 895266 COVER, TENSIONER

Под заказ

1

Под заказ

уточнить

Купить
15 879194259 SCREW

Под заказ

1

Под заказ

уточнить

Купить
16 815093002 SPRING, Tensioner

Под заказ

1

Под заказ

уточнить

Купить
17 851845001 HOOK

Под заказ

1

Под заказ

уточнить

Купить
18 855679002 NUT

Под заказ

1

Под заказ

уточнить

Купить
19 823032001 LOCKWASHER

Под заказ

1

Под заказ

уточнить

Купить
20 895119001 PLATE

Под заказ

1

Под заказ

уточнить

Купить
21 834955T02 PULLEY, Drive

Под заказ

1

Под заказ

уточнить

Купить
22 889246T30 SHORT BLOCK

Под заказ

1

Под заказ

уточнить

Купить
23 898103T34 SHORT BLOCK

Под заказ

1

Под заказ

уточнить

Купить
24 8M0079064 Комплект прокладок блока F25-30EFI (GASKET SET)

Под заказ

1

Под заказ

уточнить

Купить

Нулевая цена не означает отсутствие товара. Оформите заказ, и менеджер сообщит вам цену и наличие товара, предварительно запросив их у поставщика

Главная Магазины
Корзина0
Профиль