Мы используем cookie для наилучшего представления нашего сайта. Подробнее об этом в Политике конфиденциальности.
Ок

Королев

Ваш город:
Королев (Московская область)?
Нет
Да
Каталог
Каталог Написать в WhatsApp
Мотоэкипировка

Зажимной кронштейн 4-Х ТАКТНОГО ПЛМ MERCURY 4 Серийный номер от 0P073456 до 0P400999

Зажимной кронштейн 4-Х ТАКТНОГО ПЛМ MERCURY 4 Серийный номер от 0P073456 до 0P400999 в Королёве: актуальный каталог, цены, фото, описание. Купите зажимной кронштейн 4-х тактного плм mercury 4 серийный номер от 0p073456 до 0p400999 в кредит – оформите заявку онлайн за 1 минуту!

Оригинальные запчасти

Артикул НАИМЕНОВАНИЕ Кол-во деталей в узле Примечание Наличие Цена Аналоги Фото
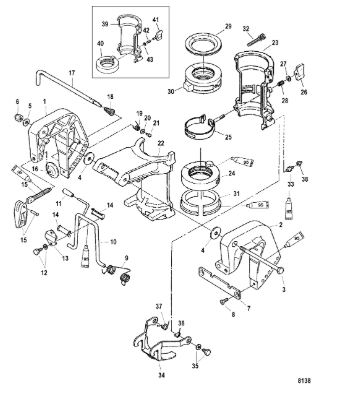
1 9622T6 BRACKET, Clamp (Starboard)

Под заказ

1

Под заказ

уточнить

Купить
2 96231 BRACKET, Clamp (Port)

Под заказ

1

Под заказ

уточнить

Купить
3 898101337 Болт (SCREW)

Под заказ

1

Под заказ

уточнить

Купить
4 16192 Шайба (WASHER@10)

Под заказ

1

Под заказ

уточнить

Купить
5 815088 NUT (M8)

Под заказ

1

Под заказ

уточнить

Купить
6 161931 DISTANCE PLATE

Под заказ

1

Под заказ

уточнить

Купить
7 16212 Пружина упора двигателя (SPRING)

Под заказ

1

Под заказ

уточнить

Купить
8 8M0045584 STOP-TILT

Под заказ

1

Под заказ

уточнить

Купить
9 8M0090337 GRIP

Под заказ

1

Под заказ

уточнить

Купить
10 162111 Болт (BOLT)

Под заказ

2

Под заказ

уточнить

Купить
11 16210002 SET PLATE

Под заказ

1

Под заказ

уточнить

Купить
12 8150931 SPRING

Под заказ

1

Под заказ

уточнить

Купить
13 161951 Пружина (SPRING)

Под заказ

1

Под заказ

уточнить

Купить
14 16197 WASHER, CLAMP BRACKET SPRING SCREW

Под заказ

1

Под заказ

уточнить

Купить
15 16196 SCREW, CLAMP BRACKET SPRING

Под заказ

1

Под заказ

уточнить

Купить
16 813029T9 *Поворотный кронштейн (BRKT-SWIVEL-FRONT)

Под заказ

1

Под заказ

уточнить

Купить
17 883300T *Поворотный кронштейн (SWIVEL BRACKET-B)

Под заказ

1

Под заказ

уточнить

Купить
18 8035674 Втулка (BUSHING)

Под заказ

1

Под заказ

уточнить

Купить
19 8M0124744 Фрикционная скоба (FRICTION BAND ASY)

Под заказ

1

Под заказ

уточнить

Купить
20 883302 Винт (NUT-WING)

Под заказ

1

Под заказ

уточнить

Купить
21 953839 Пружина (SPRING)

Под заказ

1

Под заказ

уточнить

Купить
22 803582 Упорная плита (THRUST PLATE )

Под заказ

1

Под заказ

уточнить

Купить
23 8035672 Втулка (BUSHING, Upper)

Под заказ

1

Под заказ

уточнить

Купить
24 8035821 Упорная плита (THRUST PLATE )

Под заказ

2

Под заказ

уточнить

Купить
25 8M0102279 BOLT

Под заказ

4

Под заказ

уточнить

Купить
26 824969 Фиттинг (FITTING, Grease)

Под заказ

2

Под заказ

уточнить

Купить
27 162133 ARM, Reverse Lock

Под заказ

1

Под заказ

уточнить

Купить
28 16216 Пружина (SPRING, REVERSE LOCK ARM (LEFT))

Под заказ

1

Под заказ

уточнить

Купить
29 16215 SPRING, REVERSE LOCK ARM (RIGHT)

Под заказ

1

Под заказ

уточнить

Купить
30 813029T10 SWIVEL BRACKET B

Под заказ

1

Под заказ

уточнить

Купить
31 8035673 BUSHING, Lower

Под заказ

1

Под заказ

уточнить

Купить
32 8M0155324 Болт (SCREW WASHER KIT)

Под заказ

1

Под заказ

уточнить

Купить
33 953838 Пружина (SPRING)

Под заказ

1

Под заказ

уточнить

Купить
34 16826 Шайба (WASHER@10)

Под заказ

1

Под заказ

уточнить

Купить

Нулевая цена не означает отсутствие товара. Оформите заказ, и менеджер сообщит вам цену и наличие товара, предварительно запросив их у поставщика

Главная Магазины
Корзина0
Профиль