Мы используем cookie для наилучшего представления нашего сайта. Подробнее об этом в Политике конфиденциальности.
Ок

Королев

Ваш город:
Королев (Московская область)?
Нет
Да
Каталог
Каталог Написать в WhatsApp
Мотоэкипировка

Корпус шестерни, карданный вал, длинный - 2:1 передаточное число 4-Х ТАКТНОГО ПЛМ MERCURY 40 Серийный номер от 1C000001 до 1C049738

Корпус шестерни, карданный вал, длинный - 2:1 передаточное число 4-Х ТАКТНОГО ПЛМ MERCURY 40 Серийный номер от 1C000001 до 1C049738 в Королёве: актуальный каталог, цены, фото, описание. Купите корпус шестерни, карданный вал, длинный - 2:1 передаточное число 4-х тактного плм mercury 40 серийный номер от 1c000001 до 1c049738 в кредит – оформите заявку онлайн за 1 минуту!

Оригинальные запчасти

Артикул НАИМЕНОВАНИЕ Кол-во деталей в узле Примечание Наличие Цена Аналоги Фото
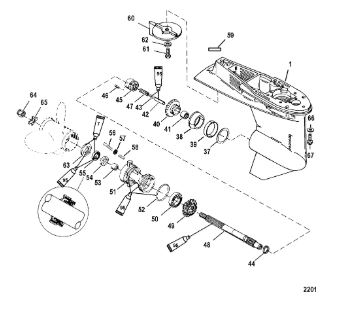
1 9760T44 Редуктор (GEAR HOUSING ASSEMBLY)

Под заказ

1

Под заказ

уточнить

Купить
2 9760T42 Редуктор (GEAR HOUSING)

Под заказ

1

Под заказ

уточнить

Купить
3 8M0063263 Кольцо регулировочное (shim set)

Под заказ

1

Под заказ

уточнить

Купить
4 8M0103476 Подшипник (BEARING KIT)

Под заказ

1

Под заказ

уточнить

Купить
5 893603T01 Шестерня (GEAR ASSY-FORWARD)

Под заказ

1

Под заказ

уточнить

Купить
6 21739 Подшипник (BEARING)

Под заказ

1

Под заказ

уточнить

Купить
7 8129291 Копир (CAM-FOLLOWER)

Под заказ

1

Под заказ

уточнить

Купить
8 20843 Направляющий подпятник (SLIDE)

Под заказ

1

Под заказ

уточнить

Купить
9 38114 Пружина (SPRING)

Под заказ

1

Под заказ

уточнить

Купить
10 813697T Шестерня сцепления (CLUTCH)

Под заказ

1

Под заказ

уточнить

Купить
11 38113 *** Шпонка (PIN-CROSS@2)

Под заказ

1

Под заказ

уточнить

Купить
12 815418 Пружина (SPRING)

Под заказ

1

Под заказ

уточнить

Купить
13 14493 Гребной вал (PROPSHAFT)

Под заказ

1

Под заказ

уточнить

Купить
14 893605T Шестерня (GEAR, Reverse)

Под заказ

1

Под заказ

уточнить

Купить
15 20839T Подшипник (BEARING-BALL)

Под заказ

1

Под заказ

уточнить

Купить
16 19291A3 Корпус несущего подшипника (carrier assy)

Под заказ

1

Под заказ

уточнить

Купить
17 815460 Резиновое кольцо (O RING)

Под заказ

1

Под заказ

уточнить

Купить
18 21700 Подшипник (BEARING)

Под заказ

1

Под заказ

уточнить

Купить
19 69188 Сальник (SEAL)

Под заказ

1

Под заказ

уточнить

Купить
20 69189 Сальник (SEAL)

Под заказ

1

Под заказ

уточнить

Купить
21 85594030 Болт М8х30 (SCREW)

Под заказ

2

Под заказ

уточнить

Купить
22 855941 Шайба (WASHER)

Под заказ

2

Под заказ

уточнить

Купить
23 8227731 Вставка (INSERT)

Под заказ

2

Под заказ

уточнить

Купить
24 17264T2 Тример цинковый (trim tab)

Под заказ

1

Под заказ

уточнить

Купить
25 4000377 Болт (SCREW)

Под заказ

1

Под заказ

уточнить

Купить
26 73345A1 Упорная шайба (THRUST WASHER)

Под заказ

1

Под заказ

уточнить

Купить
27 69578Q1 Крепление гребного винта (PROP NUT KIT@2)

Под заказ

1

Под заказ

уточнить

Купить
28 76281Q Шайба (TAB WASHER@2)

Под заказ

1

Под заказ

уточнить

Купить
29 856774 Шайба (WASHER)

Под заказ

4

Под заказ

уточнить

Купить
30 814669A2 Набор сальников (SEAL KIT-G/H)

Под заказ

1

Под заказ

уточнить

Купить

Нулевая цена не означает отсутствие товара. Оформите заказ, и менеджер сообщит вам цену и наличие товара, предварительно запросив их у поставщика

Главная Магазины
Корзина0
Профиль