Мы используем cookie для наилучшего представления нашего сайта. Подробнее об этом в Политике конфиденциальности.
Ок

Королев

Ваш город:
Королев (Московская область)?
Нет
Да
Каталог
Каталог Написать в WhatsApp
Мотоэкипировка

Впускные / выпускные клапаны 4-Х ТАКТНОГО ПЛМ MERCURY 80 Серийный номер от 1B227000 до 1B366822

Впускные / выпускные клапаны 4-Х ТАКТНОГО ПЛМ MERCURY 80 Серийный номер от 1B227000 до 1B366822 в Королёве: актуальный каталог, цены, фото, описание. Купите впускные / выпускные клапаны 4-х тактного плм mercury 80 серийный номер от 1b227000 до 1b366822 в кредит – оформите заявку онлайн за 1 минуту!

Оригинальные запчасти

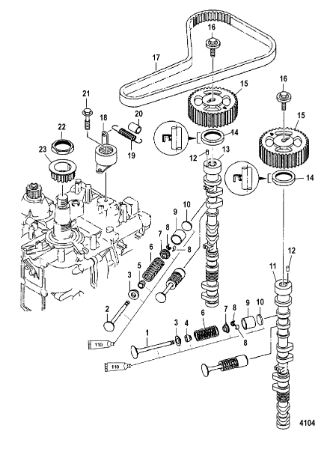
Артикул НАИМЕНОВАНИЕ Кол-во деталей в узле Примечание Наличие Цена Аналоги Фото
1 804128T INTAKE VALVE

Под заказ

8

Под заказ

уточнить

Купить
2 804129T EXHAUST VALVE

Под заказ

8

Под заказ

уточнить

Купить
3 804130 SEAT

Под заказ

16

Под заказ

уточнить

Купить
4 804136 Маслосъемный сальник (SEAL)

Под заказ

8

Под заказ

уточнить

Купить
5 804137 Маслосъемный сальник выпускного клапана (SEAL)

Под заказ

8

Под заказ

уточнить

Купить
6 804131 VALVE SPRING

Под заказ

16

Под заказ

уточнить

Купить
7 804132 RETAINER

Под заказ

16

Под заказ

уточнить

Купить
8 804135 COTTER VALVE

Под заказ

32

Под заказ

уточнить

Купить
9 804138T VALVE LIFTER

Под заказ

16

Под заказ

уточнить

Купить
10 8046071 ADJUSTING PAD

Под заказ

1

Под заказ

уточнить

Купить
11 8046072 ADJUSTING PAD

Под заказ

1

Под заказ

уточнить

Купить
12 8046073 ADJUSTING PAD

Под заказ

1

Под заказ

уточнить

Купить
13 8046074 ADJUSTING PAD

Под заказ

1

Под заказ

уточнить

Купить
14 8046075 ADJUSTING PAD

Под заказ

1

Под заказ

уточнить

Купить
15 8046076 ADJUSTING PAD

Под заказ

1

Под заказ

уточнить

Купить
16 8046077 ADJUSTING PAD

Под заказ

1

Под заказ

уточнить

Купить
17 8046078 ADJUSTING PAD

Под заказ

1

Под заказ

уточнить

Купить
18 8046079 ADJUSTING PAD

Под заказ

1

Под заказ

уточнить

Купить
19 80460710 ADJUSTING PAD

Под заказ

1

Под заказ

уточнить

Купить
20 80460711 ADJUSTING PAD

Под заказ

1

Под заказ

уточнить

Купить
21 80460712 ADJUSTING PAD

Под заказ

1

Под заказ

уточнить

Купить
22 80460713 ADJUSTING PAD

Под заказ

1

Под заказ

уточнить

Купить
23 80460714 ADJUSTING PAD

Под заказ

1

Под заказ

уточнить

Купить
24 80460715 ADJUSTING PAD

Под заказ

1

Под заказ

уточнить

Купить
25 80460716 ADJUSTING PAD

Под заказ

1

Под заказ

уточнить

Купить
26 80460717 ADJUSTING PAD

Под заказ

1

Под заказ

уточнить

Купить
27 804608 ADJUSTING PAD

Под заказ

1

Под заказ

уточнить

Купить
28 80460810 ADJUSTING PAD

Под заказ

1

Под заказ

уточнить

Купить
29 80460820 ADJUSTING PAD

Под заказ

1

Под заказ

уточнить

Купить
30 80460830 ADJUSTING PAD

Под заказ

1

Под заказ

уточнить

Купить
31 80460840 PAD, Adjusting

Под заказ

1

Под заказ

уточнить

Купить
32 80460850 ADJUSTING PAD

Под заказ

1

Под заказ

уточнить

Купить
33 80460860 ADJUSTING PAD

Под заказ

1

Под заказ

уточнить

Купить
34 80460870 ADJUSTING PAD

Под заказ

1

Под заказ

уточнить

Купить
35 80460880 ADJUSTING PAD

Под заказ

1

Под заказ

уточнить

Купить
36 804139T01 CAMSHAFT

Под заказ

1

Под заказ

уточнить

Купить
37 804139002 CAMSHAFT

Под заказ

1

Под заказ

уточнить

Купить
38 804141 PIN, Dowel

Под заказ

2

Под заказ

уточнить

Купить
39 8M0057172 Распредвал (CAMSHAFT)

Под заказ

1

Под заказ

уточнить

Купить
40 804144001 Сальник (SEAL-OIL)

Под заказ

2

Под заказ

уточнить

Купить
41 804142T Шкив распрдвала (DRIVEN GEAR)

Под заказ

2

Под заказ

уточнить

Купить
42 804143001 BOLT

Под заказ

2

Под заказ

уточнить

Купить
43 804145 Ремень ГРМ (V BELT)

Под заказ

1

Под заказ

уточнить

Купить
44 804146 Натяжитель ремня ГРМ (TENSIONER0

Под заказ

1

Под заказ

уточнить

Купить
45 804147 Пружина ролика натяжителя (SPRING)

Под заказ

1

Под заказ

уточнить

Купить
46 804148 HOSE

Под заказ

1

Под заказ

уточнить

Купить
47 804150 BOLT, (M10 x 45)

Под заказ

1

Под заказ

уточнить

Купить
48 881314003 NUT

Под заказ

1

Под заказ

уточнить

Купить
49 804151T01 GEAR, Drive

Под заказ

1

Под заказ

уточнить

Купить
50 858732A03 GASKET SET, Powerhead

Под заказ

1

Под заказ

уточнить

Купить
51 8M0094898 P/H 75-90 4S

Под заказ

1

Под заказ

уточнить

Купить
52 881310T07 HEAD-CYLINDER

Под заказ

1

Под заказ

уточнить

Купить
53 881310T10 CYLINDER HEAD

Под заказ

1

Под заказ

уточнить

Купить

Нулевая цена не означает отсутствие товара. Оформите заказ, и менеджер сообщит вам цену и наличие товара, предварительно запросив их у поставщика

Главная Магазины
Корзина0
Профиль