Каталог
Каталог Написать в WhatsApp
Мотоэкипировка

Электрические компоненты 4-Х ТАКТНОГО ПЛМ MERCURY F15 Серийный номер от 0P401000 и выше

Электрические компоненты 4-Х ТАКТНОГО ПЛМ MERCURY F15 Серийный номер от 0P401000 и выше в Королёве: актуальный каталог, цены, фото, описание. Купите электрические компоненты 4-х тактного плм mercury f15 серийный номер от 0p401000 и выше в кредит – оформите заявку онлайн за 1 минуту!

Оригинальные запчасти

Артикул НАИМЕНОВАНИЕ Кол-во деталей в узле Примечание Наличие Цена Аналоги Фото
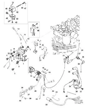
1 835403T1 BRACKET

Под заказ

1

Под заказ

уточнить

Купить
2 835403T BRACKET

Под заказ

1

Под заказ

уточнить

Купить
3 855686 CLAMP

Под заказ

2

Под заказ

уточнить

Купить
4 855810 BOLT (M6 X 20)

Под заказ

3

Под заказ

уточнить

Купить
5 8248326 Болт (SCREW)

Под заказ

1

Под заказ

уточнить

Купить
6 855811 WASHER

Под заказ

1

Под заказ

уточнить

Купить
7 97687M GROMMET

Под заказ

4

Под заказ

уточнить

Купить
8 852473 COLLAR

Под заказ

4

Под заказ

уточнить

Купить
9 854650T2 Регулятор напряжения (RECTIFIER/REGULATOR)

Под заказ

1

Под заказ

уточнить

Купить
10 811188T BOLT

Под заказ

2

Под заказ

уточнить

Купить
11 13540 Пластинка (CAP)

Под заказ

1

Под заказ

уточнить

Купить
12 13541 Заглушка (PLUG, Male)

Под заказ

1

Под заказ

уточнить

Купить
13 11149A43 CABLE ASSEMBLY

Под заказ

1

Под заказ

уточнить

Купить
14 824372A1 CABLE

Под заказ

1

Под заказ

уточнить

Купить
15 95643M *** Крепление соленоида (BRACKET)

Под заказ

1

Под заказ

уточнить

Купить
16 8M0098898 Соленоид стартера (SOLENOID-STARTER)

Под заказ

1

Под заказ

уточнить

Купить
17 827205 WASHER

Под заказ

2

Под заказ

уточнить

Купить
18 827204 NUT

Под заказ

2

Под заказ

уточнить

Купить
19 400212 Гайка (NUT)

Под заказ

2

Под заказ

уточнить

Купить
20 855742 WIRE ASSEMBLY

Под заказ

1

Под заказ

уточнить

Купить
21 94330 Болт (NUT)

Под заказ

1

Под заказ

уточнить

Купить
22 859312T1 HARNESS ASSEMBLY, Engine Wiring

Под заказ

1

Под заказ

уточнить

Купить
23 92753 Держатель (RETAINER)

Под заказ

1

Под заказ

уточнить

Купить
24 88439A29 BATTERY CABLE

Под заказ

1

Под заказ

уточнить

Купить
25 88439A30 BATTERY CABLE

Под заказ

1

Под заказ

уточнить

Купить
26 859451A1 HARNESS ASSEMBLY, Fuse

Под заказ

1

Под заказ

уточнить

Купить
27 812619 Предохранитель 20А (FUSE-YELLOW-20AMP)

Под заказ

1

Под заказ

уточнить

Купить
28 828054 Корпус предохранителя (COVER, Fuse)

Под заказ

1

Под заказ

уточнить

Купить
29 82130012 SCREW, (M6 x 12)

Под заказ

1

Под заказ

уточнить

Купить
30 29245 Шайба (WASHER @10)

Под заказ

1

Под заказ

уточнить

Купить
31 84058M Болт М6х20 (BOLT)

Под заказ

4

Под заказ

уточнить

Купить
32 824912A6 CABLE (MANUAL)

Под заказ

1

Под заказ

уточнить

Купить
33 835401T1 Коммутатор (CDI UNIT)

Под заказ

1

Под заказ

уточнить

Купить
34 855685T Катушка зажигания F9.9 (COIL ASY-IGNITION)

Под заказ

1

Под заказ

уточнить

Купить
35 825102A1 Бронепровод (BOOT)

Под заказ

2

Под заказ

уточнить

Купить
36 82069M GROMMET

Под заказ

2

Под заказ

уточнить

Купить
37 853524 OIL PRESSURE SWITCH

Под заказ

1

Под заказ

уточнить

Купить
38 853537 LEAD WIRE

Под заказ

1

Под заказ

уточнить

Купить
39 835406 RECTIFIER/REGULATOR

Под заказ

1

Под заказ

уточнить

Купить
40 853598T SOLENOID ASSEMBLY

Под заказ

1

Под заказ

уточнить

Купить
41 853599T BRACKET

Под заказ

1

Под заказ

уточнить

Купить
42 853601 HOOK

Под заказ

1

Под заказ

уточнить

Купить
43 855739 SCREW (M5 x 8)

Под заказ

2

Под заказ

уточнить

Купить
44 91782M GROMMET

Под заказ

1

Под заказ

уточнить

Купить
45 82258M O-RING

Под заказ

1

Под заказ

уточнить

Купить
46 802733A98 POWERHEAD ASSEMBLY

Под заказ

1

Под заказ

уточнить

Купить
47 879783A01 POWERHEAD ASSEMBLY

Под заказ

1

Под заказ

уточнить

Купить

Нулевая цена не означает отсутствие товара. Оформите заказ, и менеджер сообщит вам цену и наличие товара, предварительно запросив их у поставщика

Главная Магазины
Корзина0
Профиль