Мы используем cookie для наилучшего представления нашего сайта. Подробнее об этом в Политике конфиденциальности.
Ок

Королев

Ваш город:
Королев (Московская область)?
Нет
Да
Каталог
Каталог Написать в WhatsApp
Мотоэкипировка

Румпель 2-Х ТАКТНОГО ПЛМ SEA-PRO T9.9-15Р

Румпель 2-Х ТАКТНОГО ПЛМ SEA-PRO T9.9-15Р в Королёве: актуальный каталог, цены, фото, описание. Купите румпель 2-х тактного плм sea-pro t9.9-15р в кредит – оформите заявку онлайн за 1 минуту!

Оригинальные запчасти

Артикул НАИМЕНОВАНИЕ Кол-во деталей в узле Примечание Наличие Цена Аналоги Фото
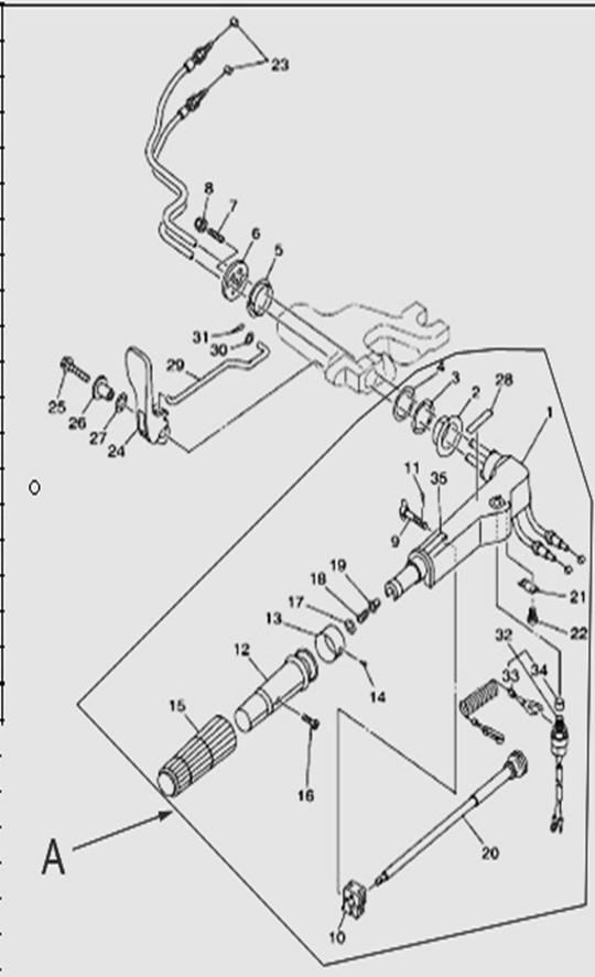
1 15FMH-11001A Румпель

Под заказ

1

Под заказ

уточнить

Купить
2 15FMH-11001 Корпус Румпеля Sea-pro: 15FMH-11001; YAMAHA: 63V-42111-01-4D; Gladiator 15F-04.07.01

Под заказ

1

Под заказ

уточнить

Купить
3 15FMH-11002 Втулка

Под заказ

1

Под заказ

уточнить

Купить
4 15FMH-11003 Шайба румпеля волнистая

Под заказ

1

Под заказ

уточнить

Купить
5 15FMH-11004 Шайба румпеля

Под заказ

1

Под заказ

уточнить

Купить
6 15FMH-11005 Втулка румпеля

Под заказ

1

Под заказ

уточнить

Купить
7 15FMH-11006 Крышка румпеля

Под заказ

1

Под заказ

уточнить

Купить
8 15FMH-11007 Шпилька

Под заказ

1

Под заказ

уточнить

Купить
9 15FMH-11008 Гайка самоконтрящая M8-S12

Под заказ

1

Под заказ

уточнить

Купить
10 15FMH-11009 Болт регулировки зажима румпеля

Под заказ

1

Под заказ

уточнить

Купить
11 15FMH-11011 Направляющая оси румпеля

Под заказ

1

Под заказ

уточнить

Купить
12 15FMH-11012 Штифт 1,6*12

Под заказ

1

Под заказ

уточнить

Купить
13 15FMH-11013 Втулка ручки румпеля

Под заказ

1

Под заказ

уточнить

Купить
14 15FMH-11014 Индикатор газа

Под заказ

1

Под заказ

уточнить

Купить
15 15FMH-11015 Заклепка

Под заказ

1

Под заказ

уточнить

Купить
16 15FMH-11016 Ручка резиновая

Под заказ

1

Под заказ

уточнить

Купить
17 15FMH-11017 Винт втулки румпеля М5*25

Под заказ

1

Под заказ

уточнить

Купить
18 15FMH-11018 Шайба

Под заказ

1

Под заказ

уточнить

Купить
19 15FMH-11019 Пружина компрессионная

Под заказ

1

Под заказ

уточнить

Купить
20 15FMH-11020 Втулка ручки газа

Под заказ

1

Под заказ

уточнить

Купить
21 15FMH-11021 Вал дроссельной заслонки

Под заказ

1

Под заказ

уточнить

Купить
22 15FMH-11023 Фиксатор вала 31,5х14,5х1,5

Под заказ

1

Под заказ

уточнить

Купить
23 15FMH-11024 Винт M5х10

Под заказ

2

Под заказ

уточнить

Купить
24 15FMH-11026 Ручка переключения передач

Под заказ

1

Под заказ

уточнить

Купить
25 15FMH-11027 Болт с шайбой М6*25

Под заказ

1

Под заказ

уточнить

Купить
26 15FMH-11028 Втулка

Под заказ

1

Под заказ

уточнить

Купить
27 15FMH-11029 Шайба волнистая

Под заказ

1

Под заказ

уточнить

Купить
28 15FMH-11030 Индикатор

Под заказ

1

Под заказ

уточнить

Купить
29 15FMH-11031 Тяга ручки п/п

Под заказ

1

Под заказ

уточнить

Купить
30 15FMH-11032 Индикатор п/п

Под заказ

1

Под заказ

уточнить

Купить
31 15FMH-11033 Шплинт

Под заказ

1

Под заказ

уточнить

Купить
32 15FMH-11034 Кнопка аварийной остановки двигателя

Под заказ

1

Под заказ

уточнить

Купить
33 15FMH-11035 Чека кнопки остановки

Под заказ

1

Под заказ

уточнить

Купить
34 15FMH-11036 Колпачек кнопки

Под заказ

1

Под заказ

уточнить

Купить
35 15FMH-11037 Наклейка

Под заказ

1

Под заказ

уточнить

Купить

Нулевая цена не означает отсутствие товара. Оформите заказ, и менеджер сообщит вам цену и наличие товара, предварительно запросив их у поставщика

Главная Магазины
Корзина0
Профиль