Мы используем cookie для наилучшего представления нашего сайта. Подробнее об этом в Политике конфиденциальности.
Ок

Королев

Ваш город:
Королев (Московская область)?
Нет
Да
Каталог
Каталог Написать в WhatsApp
Мотоэкипировка

Топливная система 2-Х ТАКТНОГО ПЛМ TITAN TP40AMHS

Топливная система 2-Х ТАКТНОГО ПЛМ TITAN TP40AMHS в Королёве: актуальный каталог, цены, фото, описание. Купите топливная система 2-х тактного плм titan tp40amhs в кредит – оформите заявку онлайн за 1 минуту!

Оригинальные запчасти

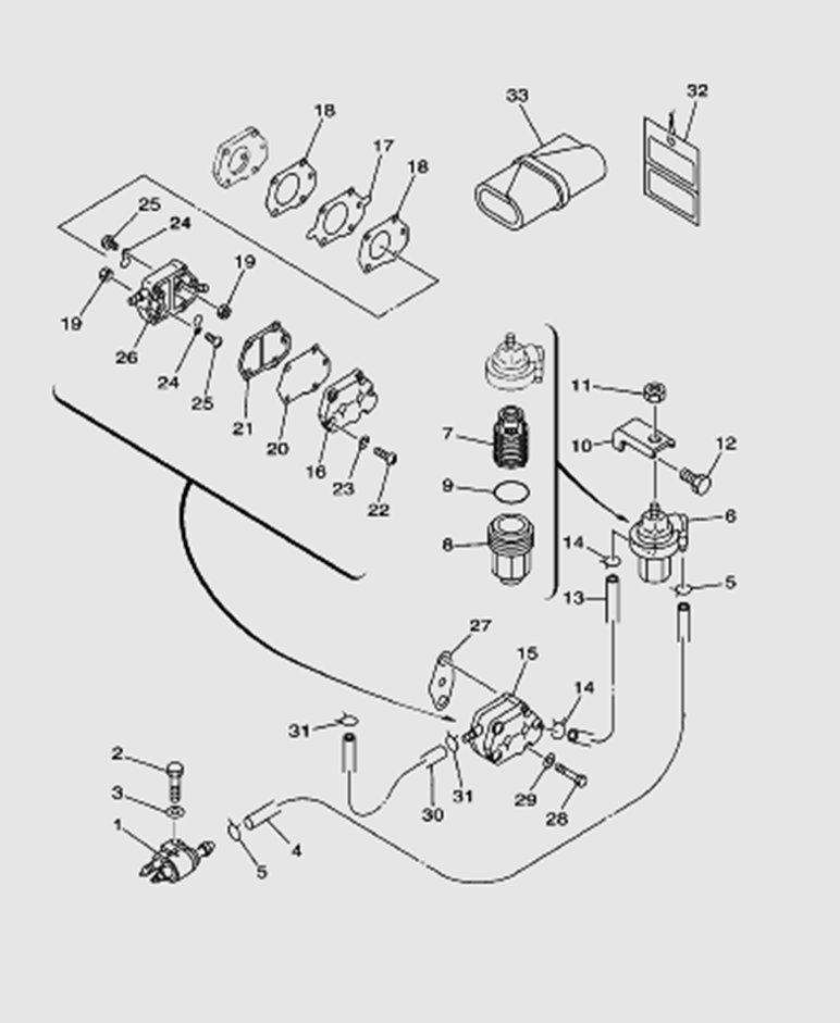
Артикул НАИМЕНОВАНИЕ Кол-во деталей в узле Примечание Наличие Цена Аналоги Фото
1 15FMH-06001 Коннектор топливный

Под заказ

1

Под заказ

уточнить

Купить
2 PNFM40E-06002 Болт с шайбой

Под заказ

1

Под заказ

уточнить

Купить
3 PNFM40E-06003 Шланг L550

Под заказ

1

Под заказ

уточнить

Купить
4 15FMH-06016 Хомут

Под заказ

6

Под заказ

уточнить

Купить
5 15FMH-06009 Фильтр топливный в сборе

Под заказ

1

Под заказ

уточнить

Купить
6 15FMH-06010 Элемент филтрующий T15P (6-5)

В наличии

1

В наличии

550

680

Купить
7 15FMH-06011 Корпус фильтра

Под заказ

1

Под заказ

уточнить

Купить
8 15FMH-06012 Кольцо уплотнительное

Под заказ

1

Под заказ

уточнить

Купить
9 PNFM40E-06009 Кронштейн

Под заказ

1

Под заказ

уточнить

Купить
10 PNFM40E-06010 Гайка

Под заказ

1

Под заказ

уточнить

Купить
11 PNFM40E-06011 Болт

Под заказ

1

Под заказ

уточнить

Купить
12 PNFM40E-06012 Шланг L170

Под заказ

2

Под заказ

уточнить

Купить
13 PNFM40E-06014 Бензонасос в сборе

Под заказ

1

Под заказ

уточнить

Купить
14 PNFM40E-06015 Прокладка бензонасоса

Под заказ

1

Под заказ

уточнить

Купить
15 PNFM40E-06016 Болт с шайбой

Под заказ

2

Под заказ

уточнить

Купить

Нулевая цена не означает отсутствие товара. Оформите заказ, и менеджер сообщит вам цену и наличие товара, предварительно запросив их у поставщика

Главная Магазины
Корзина0
Профиль