Мы используем cookie для наилучшего представления нашего сайта. Подробнее об этом в Политике конфиденциальности.
Ок

Королев

Ваш город:
Королев (Московская область)?
Нет
Да
Каталог
Каталог Написать в WhatsApp
Мотоэкипировка

Двигатель 2-Х ТАКТНОГО ПЛМ YAMABISI T30BMS

Двигатель 2-Х ТАКТНОГО ПЛМ YAMABISI T30BMS в Королёве: актуальный каталог, цены, фото, описание. Купите двигатель 2-х тактного плм yamabisi t30bms в кредит – оформите заявку онлайн за 1 минуту!

Оригинальные запчасти

Артикул НАИМЕНОВАНИЕ Кол-во деталей в узле Примечание Наличие Цена Аналоги Фото
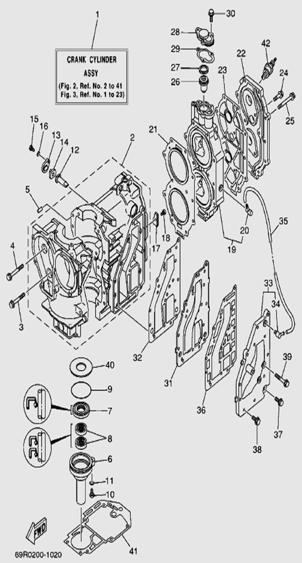
1 372-02001 Двигатель в сборе

Под заказ

N/A

Под заказ

уточнить

Купить
2 372-02001W Двигатель в сборе (электростартер)

Под заказ

N/A

Под заказ

уточнить

Купить
3 372-02002 Блок цилиндров в сборе

Под заказ

N/A

Под заказ

уточнить

Купить
4 PNF40E-16009 Болт с шайбой М6*80

Под заказ

N/A

Под заказ

уточнить

Купить
5 372-02004 Болт с шайбой М8*50

Под заказ

N/A

Под заказ

уточнить

Купить
6 15FMH-02011 Штифт

Под заказ

N/A

Под заказ

уточнить

Купить
7 372-02006 Корпус сальника

Под заказ

N/A

Под заказ

уточнить

Купить
8 372-02007 Сальник коленвала нижний 48*25*8

Под заказ

N/A

Под заказ

уточнить

Купить
9 PNFM40E-02010 Сальник коленвала

Под заказ

N/A

Под заказ

уточнить

Купить
10 372-02009 Кольцо резиновое коленвала нижнее 3*60

Под заказ

N/A

Под заказ

уточнить

Купить
11 372-02010 Болт с шайбой М6*22

Под заказ

N/A

Под заказ

уточнить

Купить
12 372-02012 Анод

Под заказ

N/A

Под заказ

уточнить

Купить
13 672-02017 Прокладка анода

Под заказ

N/A

Под заказ

уточнить

Купить
14 672-02018 Фиксатор

Под заказ

N/A

Под заказ

уточнить

Купить
15 15FMH-02009 Анод двигателя

Под заказ

N/A

Под заказ

уточнить

Купить
16 372-02018 Болт с шайбой М6*20

Под заказ

N/A

Под заказ

уточнить

Купить
17 372-02019 Головка блока цилиндров

Под заказ

N/A

Под заказ

уточнить

Купить
18 372-02020 Штуцер

Под заказ

N/A

Под заказ

уточнить

Купить
19 372-02021 Прокладка головки блока цилиндров Т30Р (2-21)

Под заказ

N/A

Под заказ

уточнить

3 480

Купить
20 372-02022 Крышка головки блока цилиндров

Под заказ

N/A

Под заказ

уточнить

Купить
21 372-02023 372-02023 Прокладка крышки головы блока цилиндров Т30Р (2-23)

Под заказ

N/A

Под заказ

уточнить

1 550

Купить
22 963-02004 Болт с шайбой М8*65

Под заказ

N/A

Под заказ

уточнить

Купить
23 15FMH-02023 Термостат T15P (2-22)

В наличии

N/A

В наличии

2 340

3 580

Купить
24 372-02027 Прокладка термостата

Под заказ

N/A

Под заказ

уточнить

Купить
25 372-02028 Корпус термостата

Под заказ

N/A

Под заказ

уточнить

Купить
26 372-02029 Прокладка крышки термостата

Под заказ

N/A

Под заказ

уточнить

Купить
27 372-02031 Крышка выпуска внутренняя

Под заказ

N/A

Под заказ

уточнить

Купить
28 372-02032 Прокладка крышки выпуска

Под заказ

N/A

Под заказ

уточнить

Купить
29 372-02033 Крышка выпуска внешняя

Под заказ

N/A

Под заказ

уточнить

Купить
30 372-02034 Штуцер

Под заказ

N/A

Под заказ

уточнить

Купить
31 372-02035 Трубка

Под заказ

N/A

Под заказ

уточнить

Купить
32 372-02036 Прокладка внешней крышки выпуска

Под заказ

N/A

Под заказ

уточнить

Купить
33 15FMH-02018 Болт с шайбой M6x30

Под заказ

N/A

Под заказ

уточнить

Купить
34 PNFMH40-15003 Болт с шайбой

Под заказ

N/A

Под заказ

уточнить

Купить
35 372-02040 Шайба упорная

Под заказ

N/A

Под заказ

уточнить

Купить
36 372-02041 Прокладка двигателя

Под заказ

N/A

Под заказ

уточнить

Купить
37 372-02042 Свеча зажигания BR8HS 10

Под заказ

N/A

Под заказ

уточнить

Купить

Нулевая цена не означает отсутствие товара. Оформите заказ, и менеджер сообщит вам цену и наличие товара, предварительно запросив их у поставщика

Главная Магазины
Корзина0
Профиль